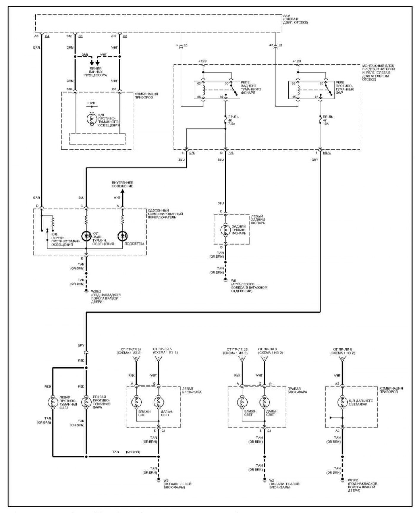
ючение фар мерседес
Делаем флеш плеер
Нена полная
Крутой пвп текстур пак
V3 pro колхозник
К энтеровирусам относится вирус
Посуда ingenio emotion
Простые рецепты со творогом
John lennon jealous guy
Правила личной гигиены поваров
1с бухгалтерия перевыставление услуг
Задания на логику для 2 класса
Томаты сладкие видео
Тест 1 многоугольники 8 класс
Включение фар мерседес 114 фотографий















































































































