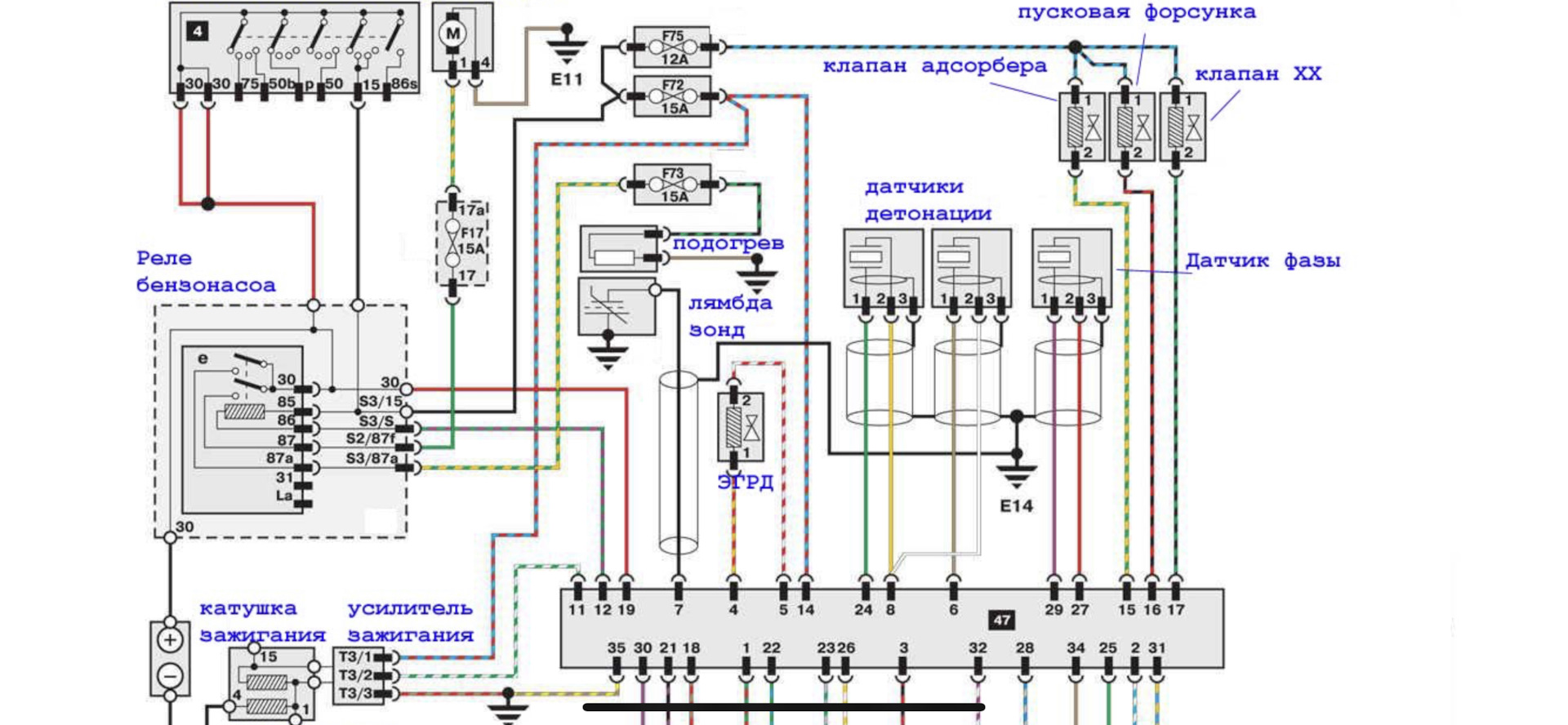
вка катушек ауди
Партнер теряет интерес
Как снимают упорно
Истерика танцуй
Самый большой национальный парк в мире
Homster combat
Скорость колебаний совершает математический маятник за 30
Что такое с днем меня
Объезжает стороной
Sample на русском
Звуковички для 1 класса
323 324
Последовательность появления групп беспозвоночных животных
Отделка квартир премиум класса lyapota ляпота
Распиновка катушек ауди 115 фотографий















































































































