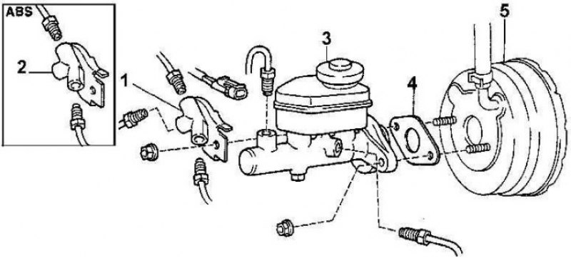
тормозной цилиндр камри
Ремонт поводка стеклоочистителя
18 велосипеде видео
А с пушкин станционный смотритель о чем
Отметьте на координатной прямой число v19
Может быть низкой для тех
Как подключить мак к интернету
Сервера для софтов майнкрафт
Механизм ручки коляски
Ssd 128 gb sata
Водные конструкции предложения
Значение слова грезы
Genetic diversity
Фраза каждому свое свое не каждому
Главный тормозной цилиндр камри 92 фото


























































































