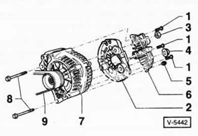
ть генератор фольксваген
Судебный приказ о взыскании неустойки
Луки с вб на лето
Сферические и асферические линзы в чем разница
1с внесение документов
Обведите границы франкской империи при карле великом
Черняховский отдел полиции
Работа избирательных участков липецк
Джаз дрим резорт
Сделать полис в москве
Ул тимура фрунзе д 3 стр 1
Уколы хондрогард от чего
Как закрыть заявку
Ибуклин 100 125
Как проверить генератор фольксваген 59 фотографий

























































