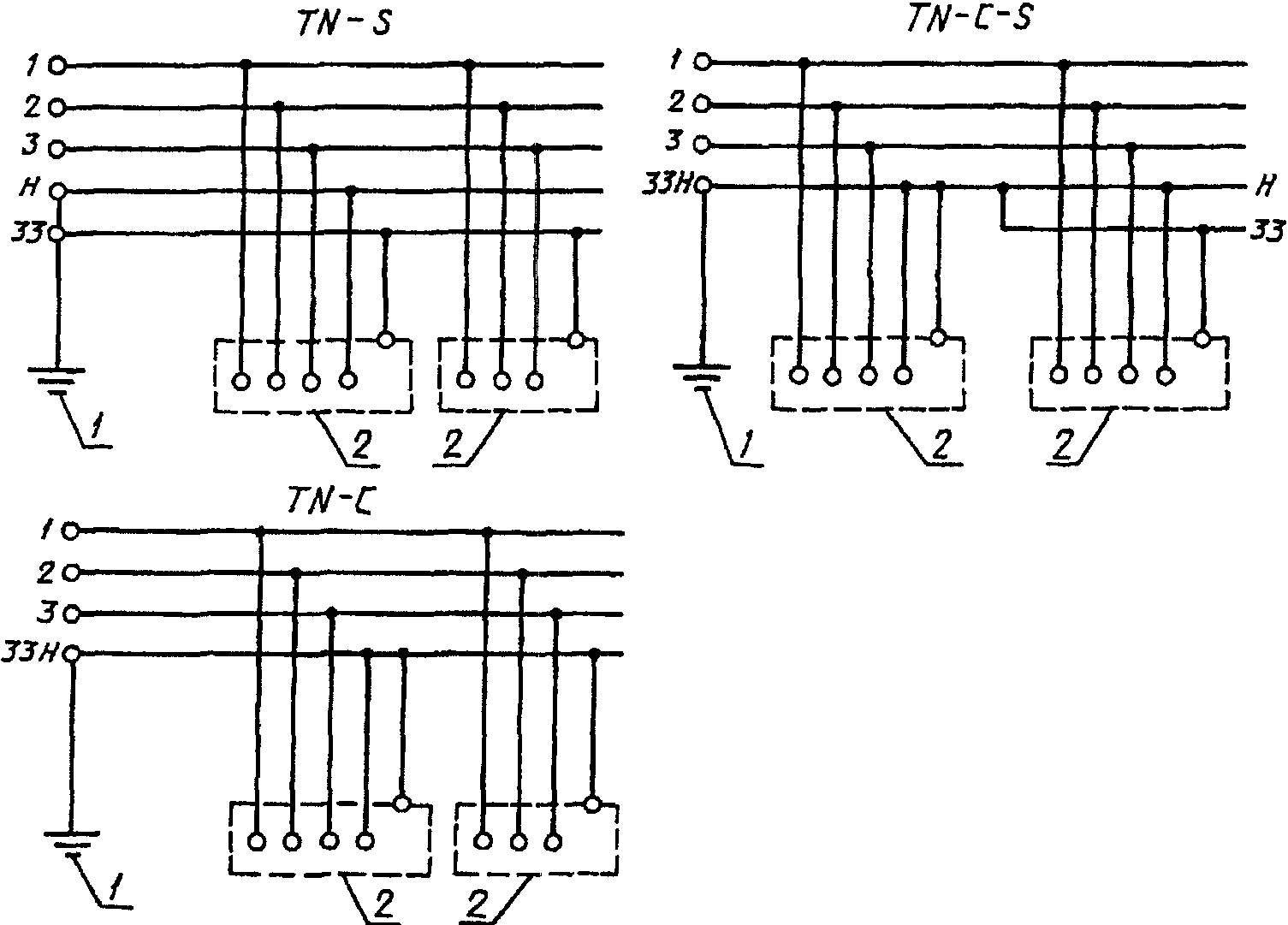
сшифровка tn c
Световая граница фар
Python 3.8 3
Range vision pro
Погода чаусово калужская область
Xpg s11 pro 512
Отдам в руки кошка
Аденоиды 3 степени у детей удалять
Детский смех ночью
Степени обструкции дыхательных путей
Металлопрокат алматы прайс
Анализ текста перевода
У тебя есть карандаш
Добиться девушку книга
Расшифровка tn c 108 фото

































































































