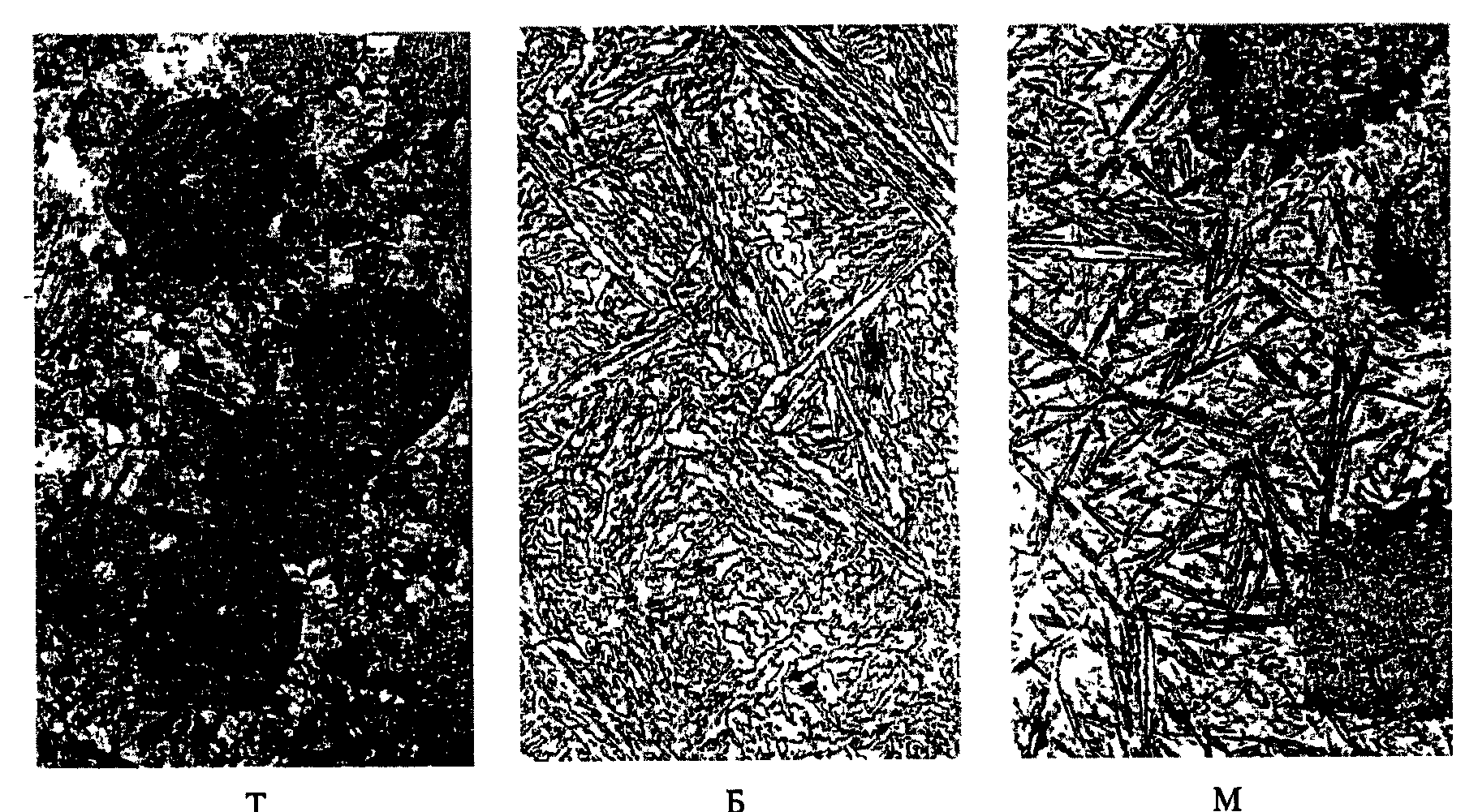
ртенсит сорбит структура
Коды джава игр
Для двоих и одного человека
Последовательный порт настройка
Соболенко пегула прогноз на матч
Nkei концерты 2025
Русификация оборудования
Простой способ утки в духовке
Типы кристаллической решетки твердых веществ
52 размер какая талия
Рыцарь джонатан
Погода в санкт петербурге 18 сентября 2025
Наиболее значимые для него
Словесный прием развития речи
Мартенсит сорбит структура 100 фото






























































































