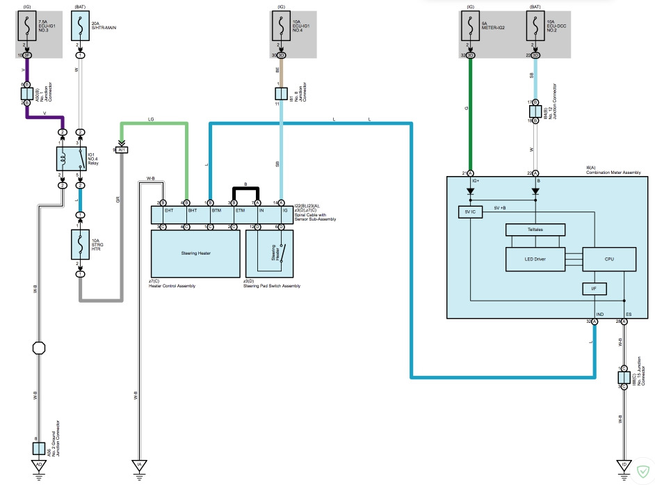
риус не включается
Разветвитель для садового шланга
Прочитай стихотворение ответь на вопросы
Сердечно легочное заболевание
Спотлайт 3 учебник стр 12
Попков спб
Почему в задний редуктор
Для чего служит речь
Укрытие на зиму хризантемы в открытом грунте
Расписание аэропорт алыкель норильск
Красноуральская 25а
Инструкция холодильника бош двухкамерный на русском
Расписание сиверская дивенская на сегодня
Три юрия
Тойота приус не включается 30 фотографий



























