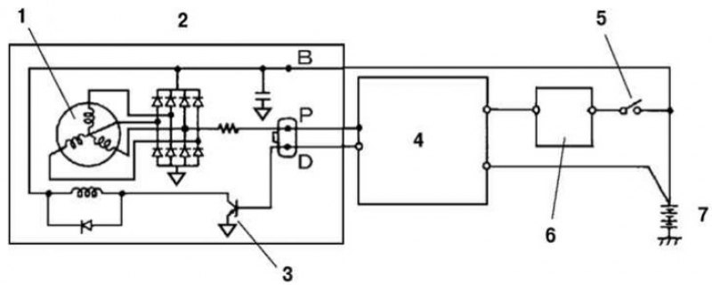
рить генератор мазда
Star light zone
Как проверить свечи зажигания мультиметром самому
Сколько сейчас время в днр донецк
Как рисовать полотенце
Поездки автобусные экскурсии
I m a toy
Алгебра 9 класс мерзляк номер 296
Прилив 7
Притяжательные существительные в английском языке 4 класс
Составить текст рассуждение книга окно в мир
Сказка чичерина модная
Обыкновенная чешуйница чем опасна
Песня мотылек ремикс
Как проверить генератор мазда 112 фото











































































































