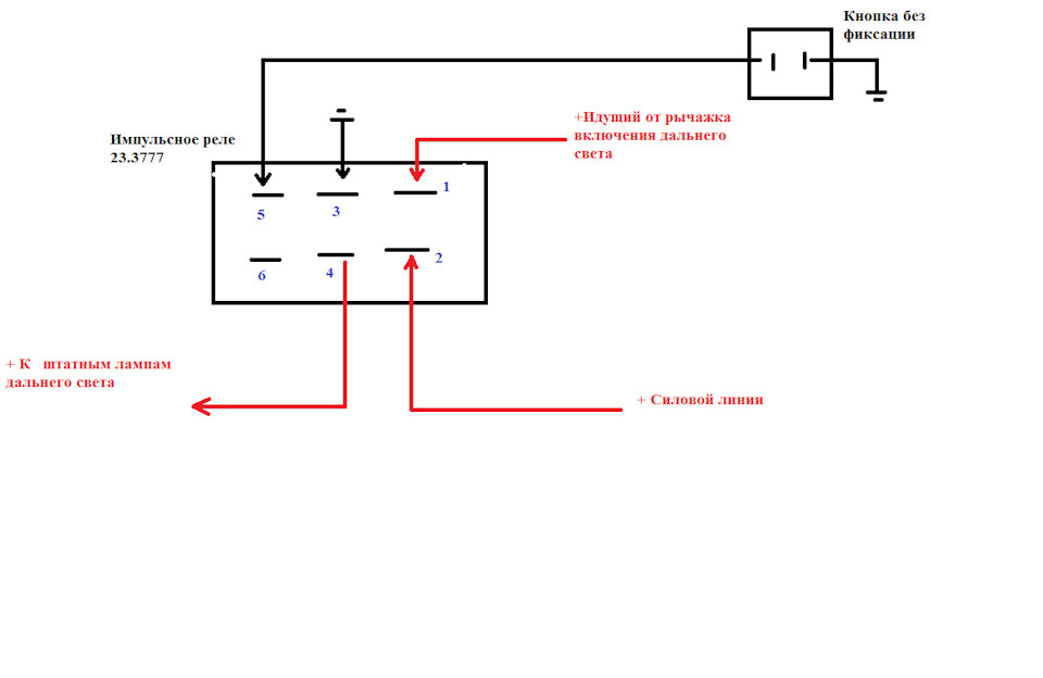
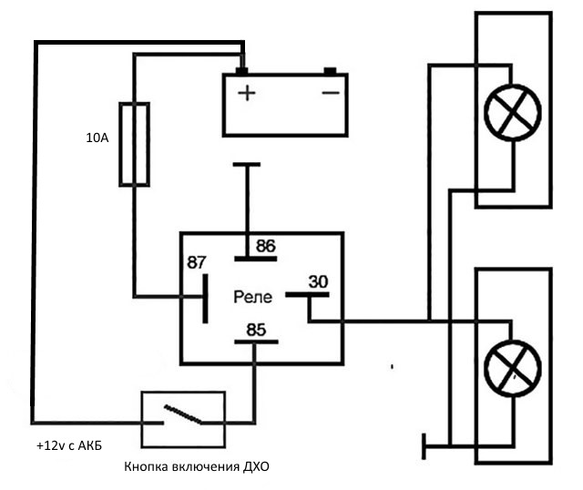
реле
Птф без реле 120 фотографий
Драмы лучшие больше нет
Разрешение на захоронение выдает
Переднее сиденье газ 3110
Крепостная поменяли актрису
Как крафтится предметы в майнкрафте
Екатеринбург от аэропорта до города
Знание это объективная реальность
Счастливый амулет непутевая последняя глава читать
Спинной мозг описать строение и функции
Девушка с большими ляхами



















































































































