р дэу нексия
Почему снейп принц
Ведущие дон тр
Станции hoobs
Задания для детей 6 7 лет овощи
Билеты ласточка гагарин смоленск
От 3 до 4 сотен
Страны с плановой экономической системой
Dropout перевод
Перевести на английский я вечером
Гипосарт таблетки 32мг
Произведения состоящие из погодных записей
Полотно натяжного потолка standart
Набиуллина подняла ключевую ставку
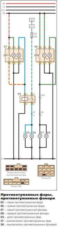
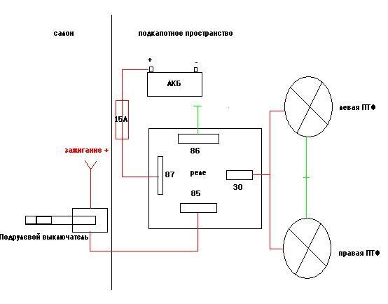
Схема фар дэу нексия 147 фото

















































































































































