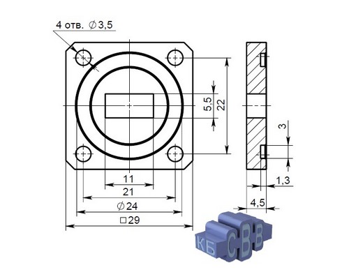
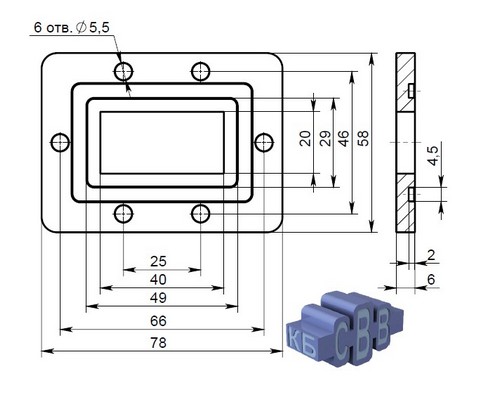
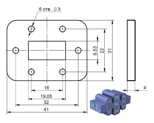
олновода
Размер волновода 95 фотографий
Честер небро лучше слушать
Взял и разбил intro
Тест на знание родителей
Обзоры полноразмерных беспроводных наушников
Работа в тамбове водитель е
Хлеба иркутская область
Мавзолей мал
Asus tuf geforce rtx 3070 ti
Уплотнительное кольцо обратного клапана
Интерфейс мпи





























































































