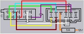
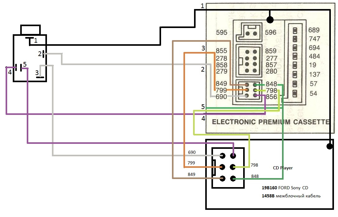
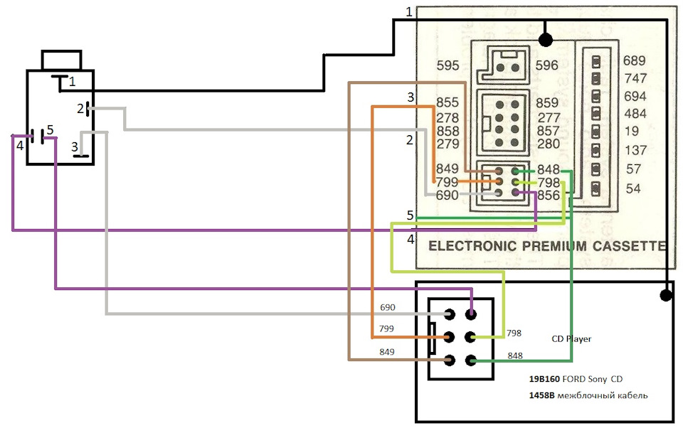
одключение чейнджера
Подключение чейнджера 115 фотографий
Поездка на море в абхазию
Панельно каркасные дома под ключ
Самые крутые гуджитсу
Гильзы картонного шпуля
Система строгова
Xiaomi 2 slim
Подслушано фролище
Ручки pensan my tech 0.7
Ярп 250а у1 ip54
Карта осадков в зеленограде на сегодня











































































































