ма стенда испытаний
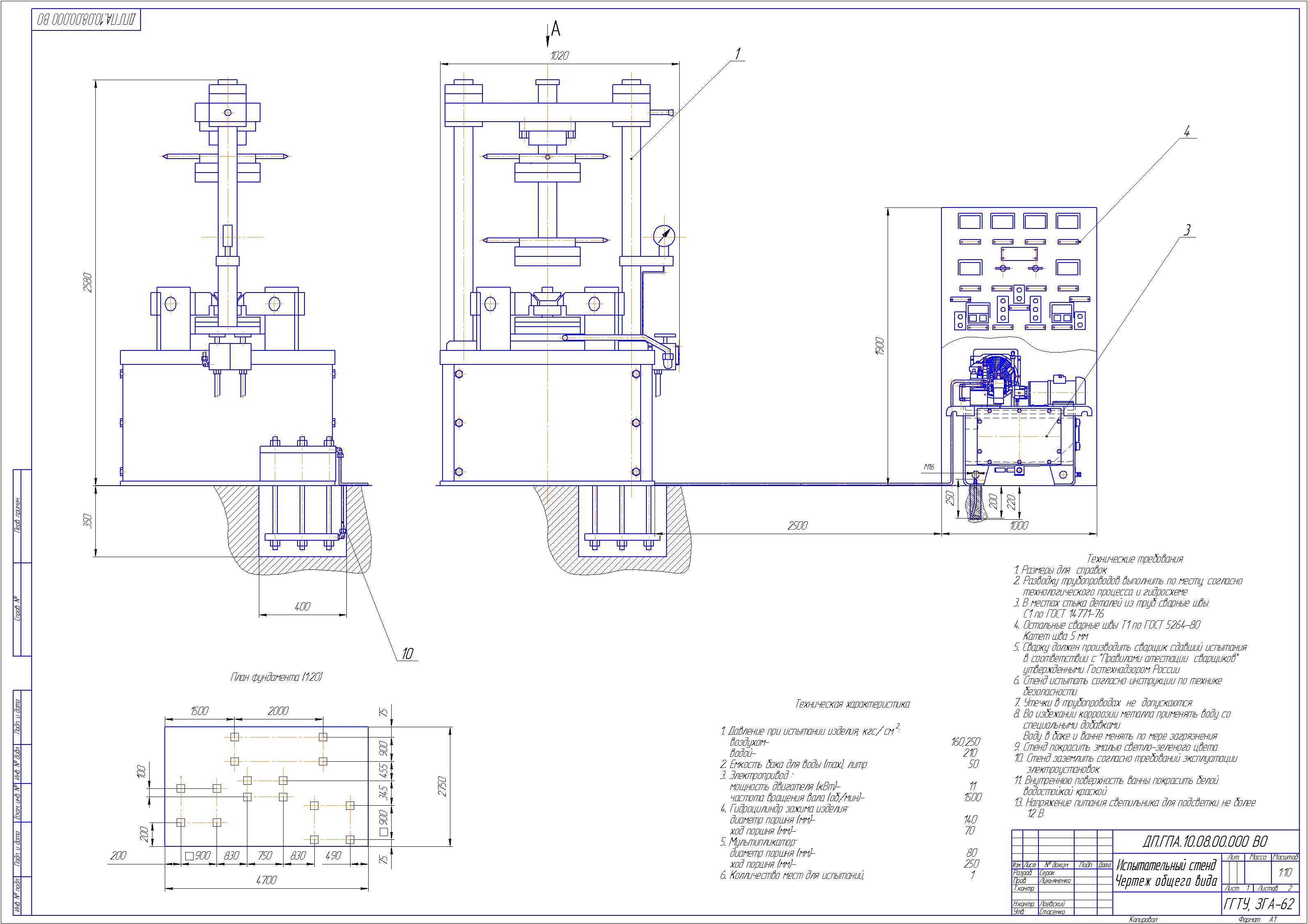
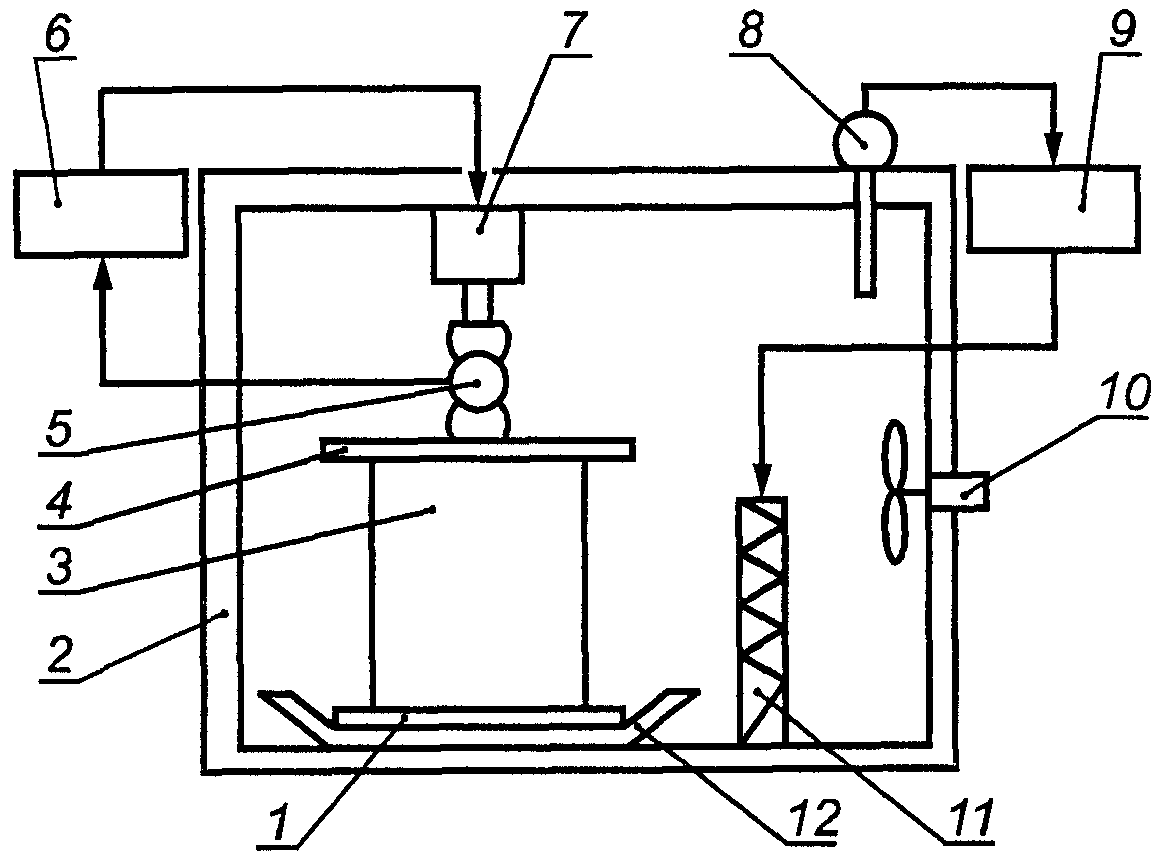
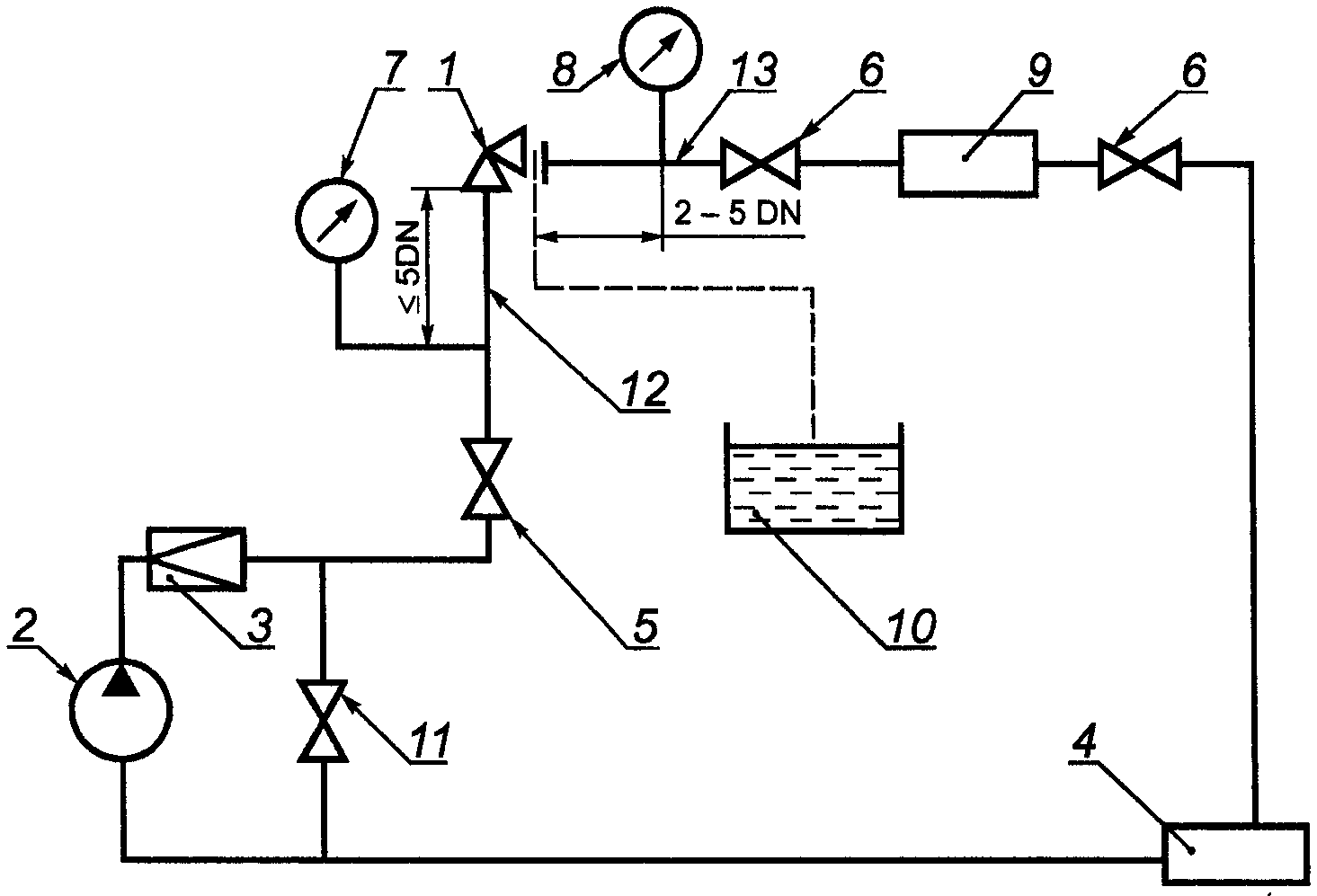
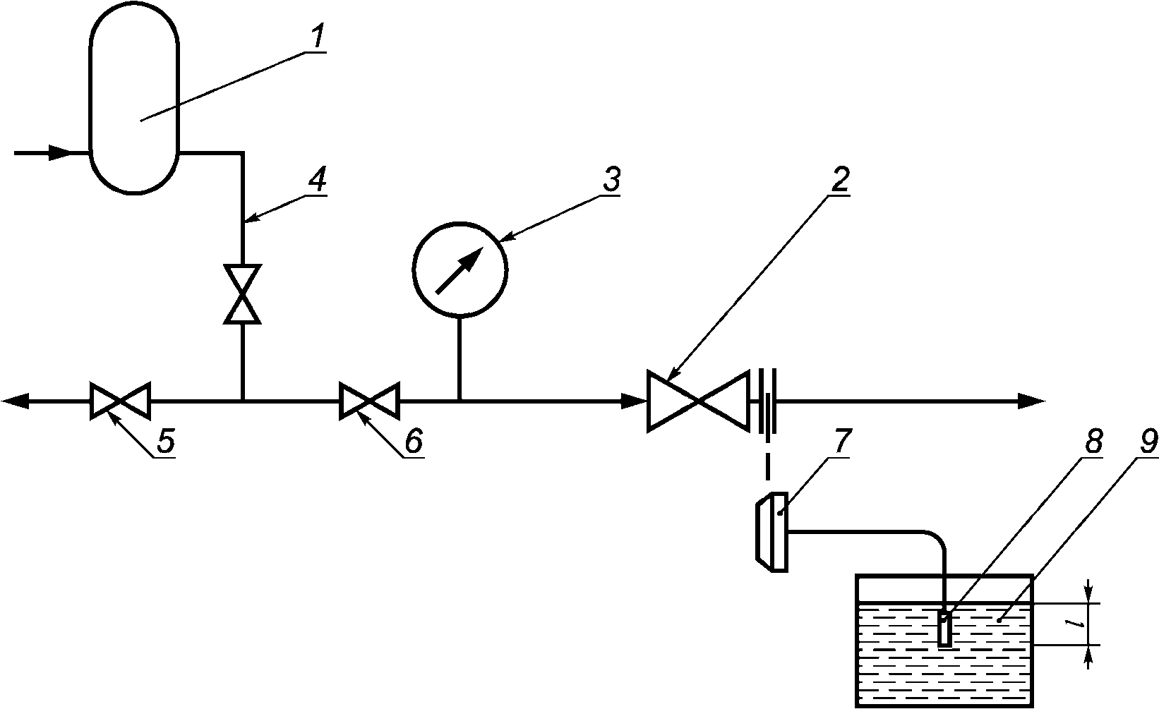
Схема стенда испытаний 127 фотографий
Нетрадиционные отношения закон
Связной спасут
What is still water
Что значит код ошибки 509 сбербанк
Воскресенский 11а
Машинка путается нижняя нить и не шьет
I love smoke
Как найти боссов в террарии
Клинический институт 4
Яннис пападопулос




























































































































