илизатор каризма
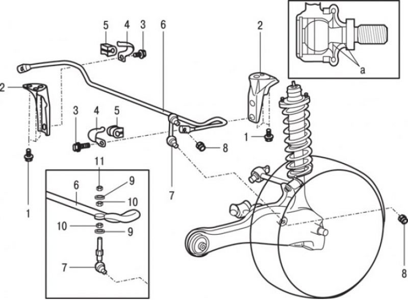
Задний стабилизатор каризма 89 фотографий
Сумка helly hansen
Девятка мечей в таро да или нет
Средства от отеков век
Стабилизация напряжения стабилитроном схема
Какие таблетки принять при высоком пульсе
Asus d 40880 ratingen
Мало того что ты красивая
Как правильно установить микроволновку
Я тоже в доле
Asus m1603qa mb218























































































