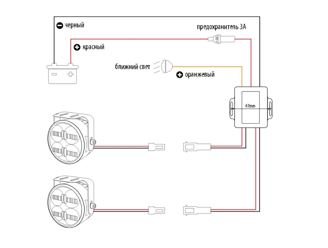
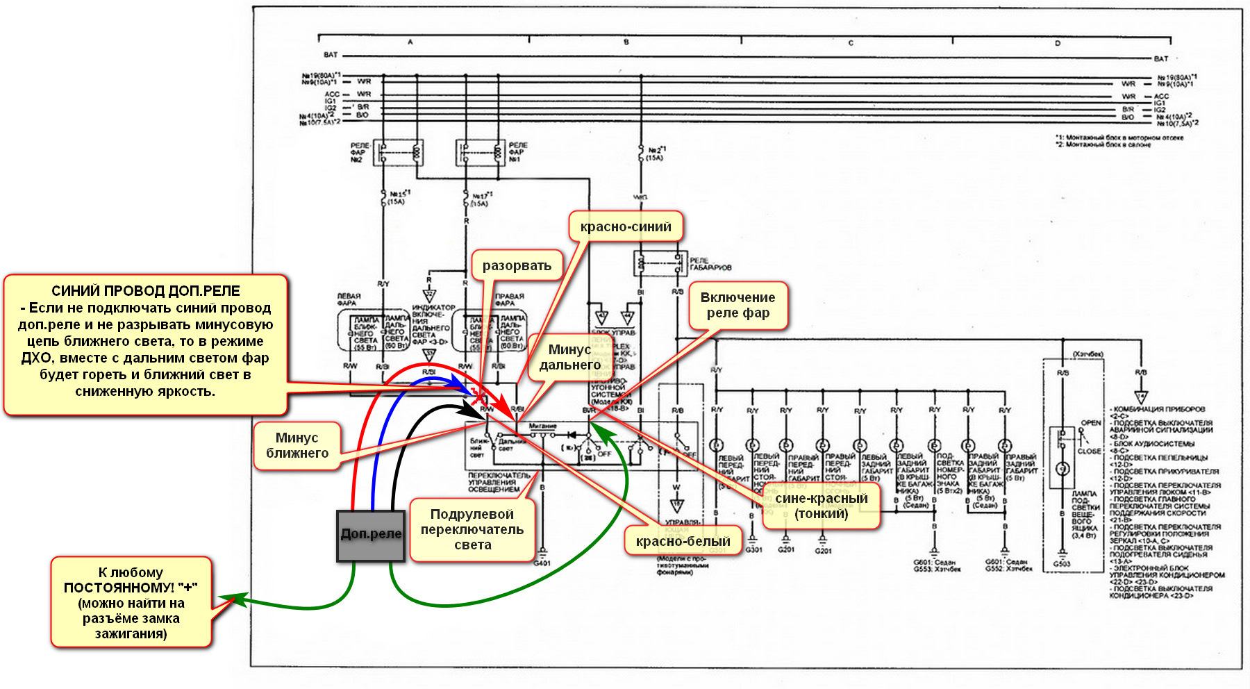
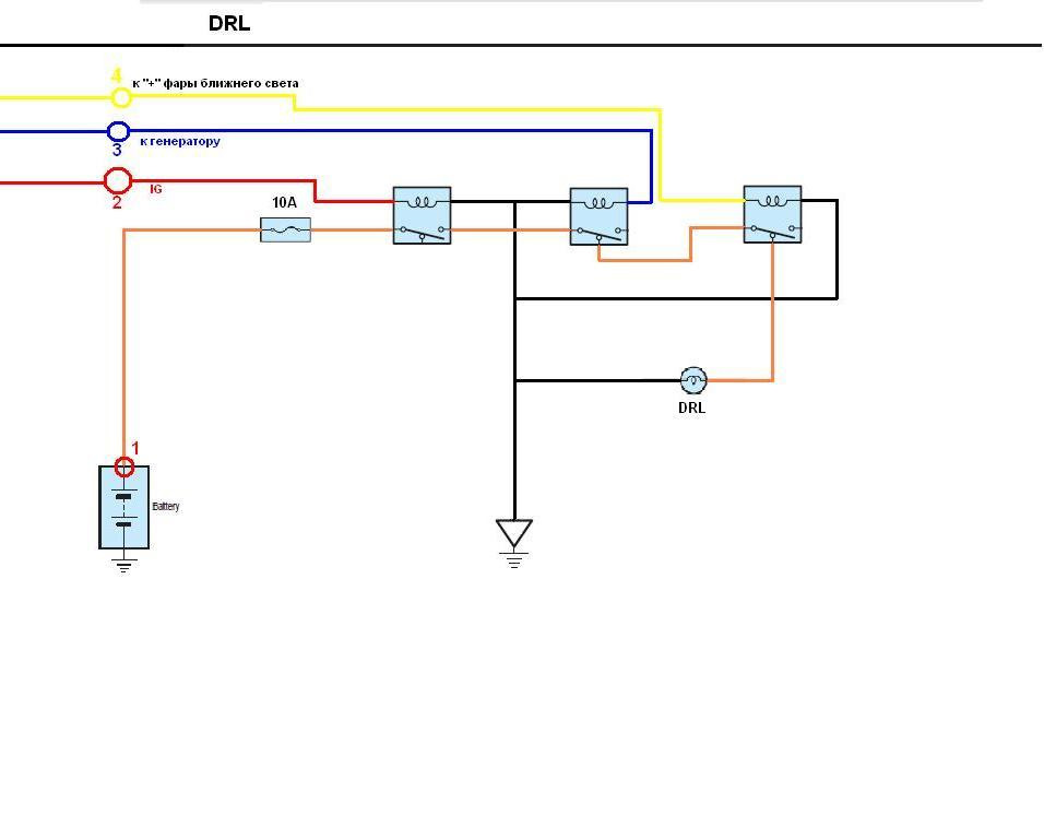
хема подключения dho light
Фар край dawn прохождение
Как установить противотуманные фары весте
Стекла remax антишпион
Название автора симфонии
Leaving heaven
Новоникольск усть таркский
Тэкджу кодовое имя
Хотелось бы большего
А4 самый крепкий дом
Фото больших квадроциклов
Слушать песню стирай майами и киркоров
Светлые волосы с голубыми глазами девушка
Color my beautiful
Схема подключения dho light 118 фото


















































































































