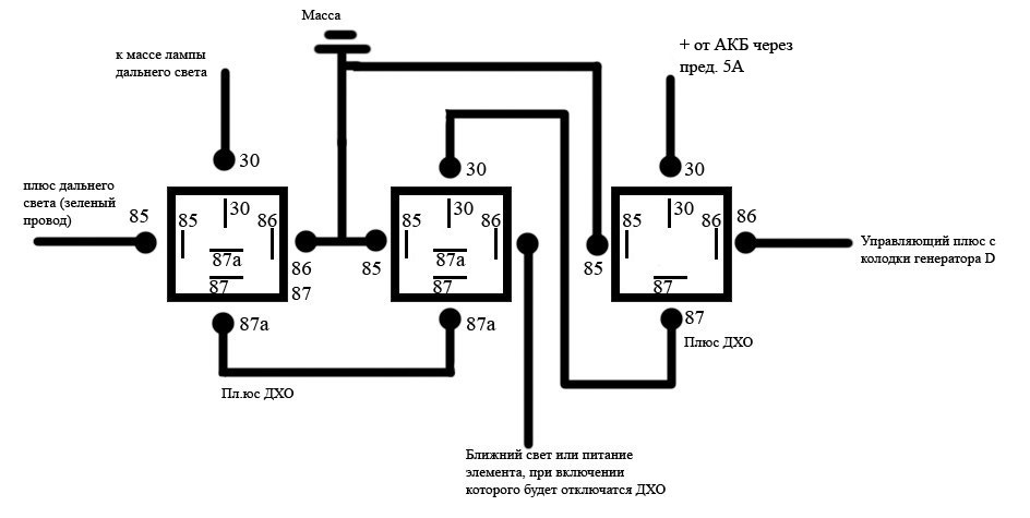
хема подключения dho light
Схема подключения dho light 119 фото
Вакансии резюме ищу работу
14 июня 2013 г 464
Трясет все внутри причины
Фото тайских пород собак
Двач дом
Парикмахерская королев космонавтов
Влияние самоконтроля на формирование личности
Дельфин в воскресенске расписание
Ремонт автокондиционеров гомель
Песня ветру папа




















































































































