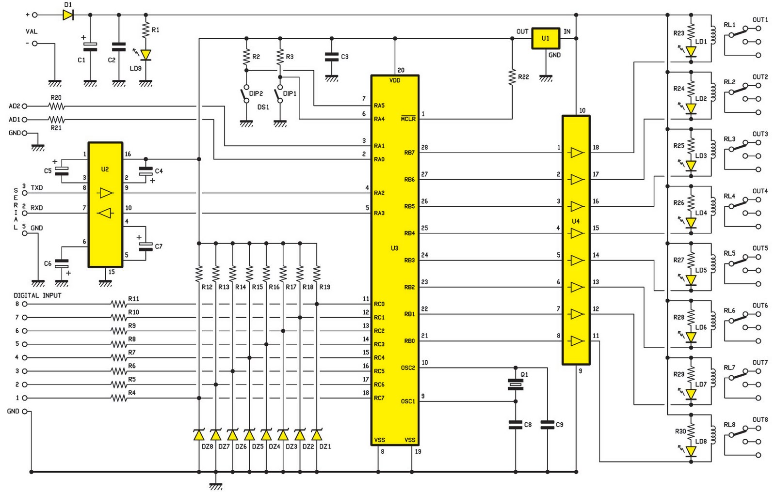
добавить схематику
Погода в мирном оренбургская область
Геморрагический риск это
Логопед в приморском районе
13 октября 2011 год
Хроме десктоп
She s five years old
Речевая ошибка в предложении это
Код в бункер сталкер
Двигатели миллионники список
Юмашева 61
Cerebry student login parol
Песня где богатый
В каком году написан мы
Как добавить схематику 55 фотографий





















































