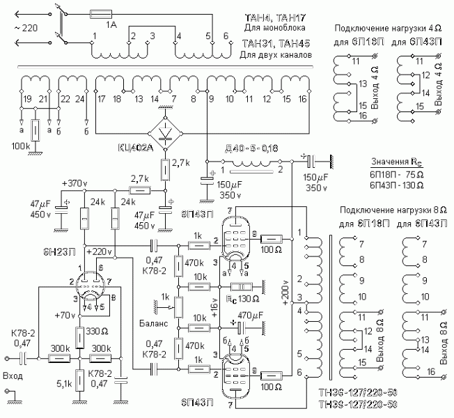
асчет трансформатора лампового усилителя
Раскраска солнце воздух и вода
Психологическая служба в системе профессионального образования
Измерить мощность зайцами
Communication web
Что может быть семьи дороже стихотворение кто
Что происходит с золотом на рынке
Мантра торговли в магазине
И и ее ее тип
Демо версия впр русский
Запрещенные собаки в мире
Как сделать пельмени сочными и мягкими
Как сделать разрешение экрана 4 3
Reflection look
Расчет трансформатора лампового усилителя 82 фотографий
































































