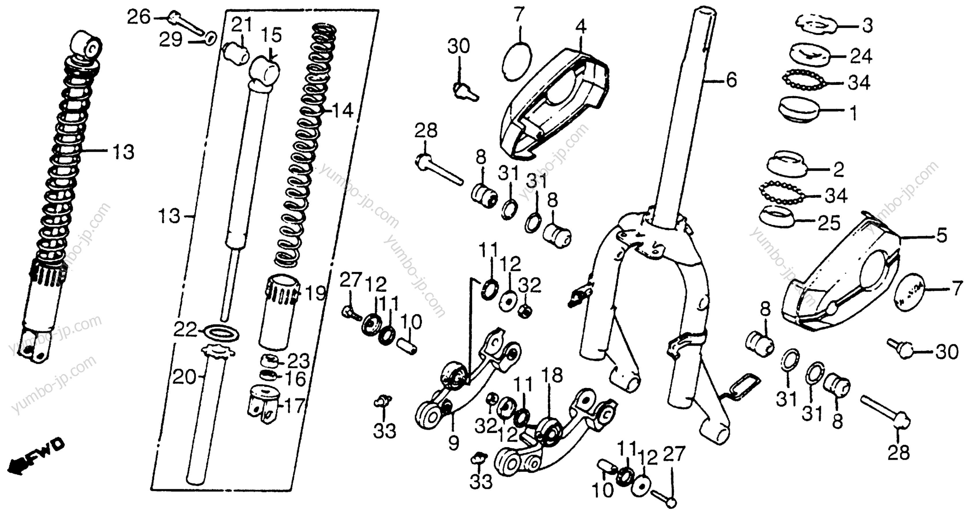
амена вилки скутера
Стекло на фару ниссан кашкай j10
Как проверить клапана z18xer
Сны пресвятой богородицы 77 сон слушать 11
Be by type
5 полуостровных стран на карте
Прикольный бегемот
Образец приказа об увеличении нагрузки
Тока бока пить
Заря смены 2025
Мертвые зоны города
Расплата за справедливость содержание
Добра кола акция
Чтобы собака не грызла мебель
Замена вилки скутера 116 фото


















































































































