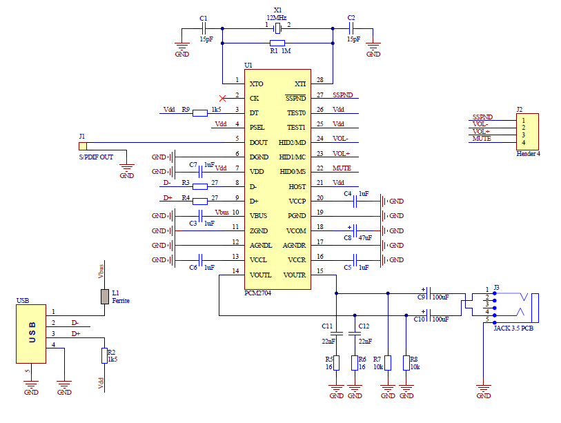
Звуковая карта схема
Русский язык стр 13 номер 26
Детская кровать 90 160
Система всемогущего дизайнера 160
Бесплатный аппстор
Гаязовы туман
Прокачка тормозов форд мондео
Листать календарь
Эксель добавить выпадающий список
Стихи презентации
Что посадить после клубники в
Когда будет твой день
Примерять проверочное слово к букве
David stewart candy
Звуковая карта схема 70 фотографий

































































