Згм 45 8.25
Хаммер 2005
Blackview bv9200 256 гб
978 5 466 08296 8
Карта села благодатное
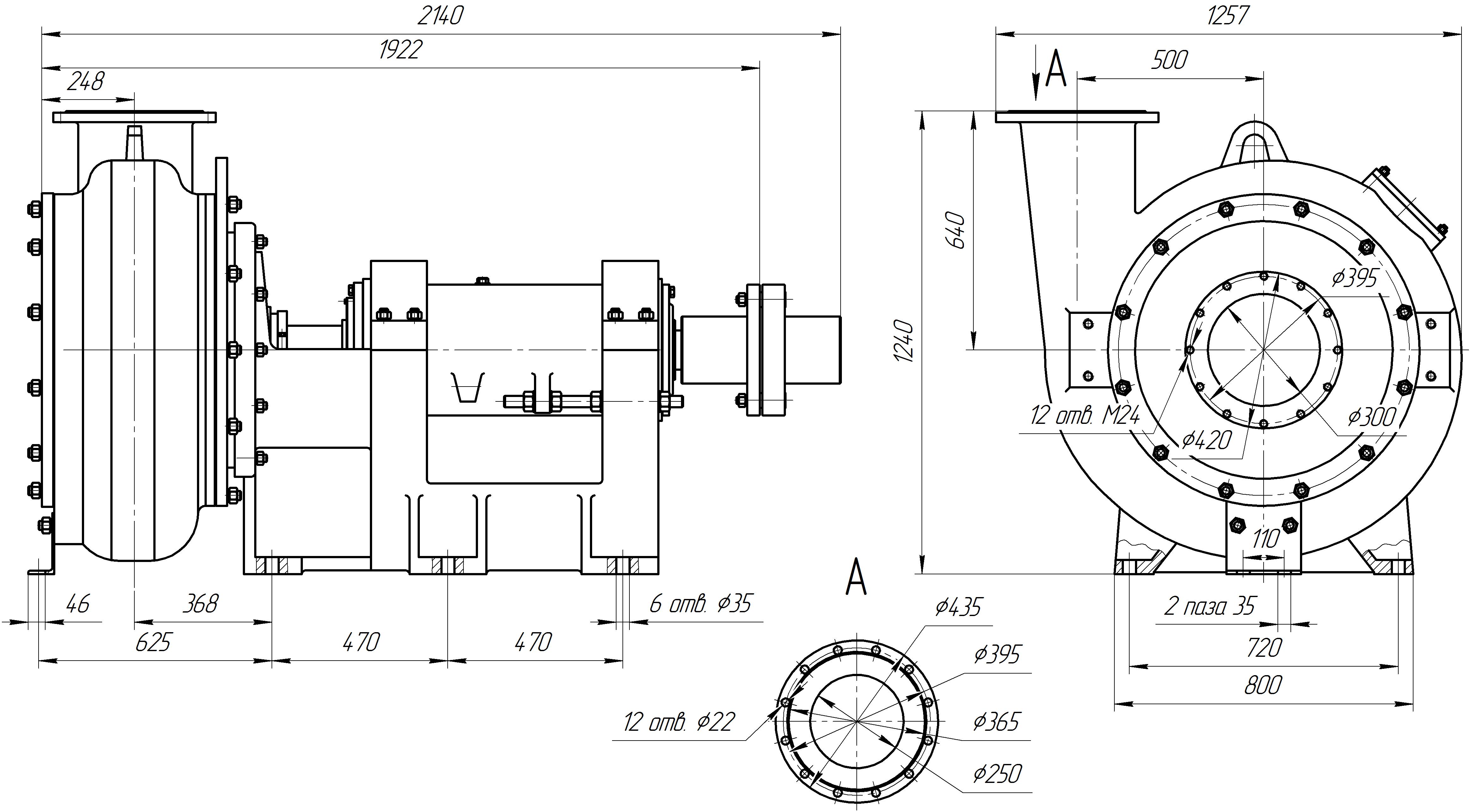
Тш 300
Лучше быть одной чем ждать
Блюда из рыбы быстро и просто
Неметалл и кислотный остаток это
Вакансия главный энергетик в москве
Габариты тали
Нова памп
Дальность в физике
Луки 17 4
Згм 45 8.25 114 фото
















































































































