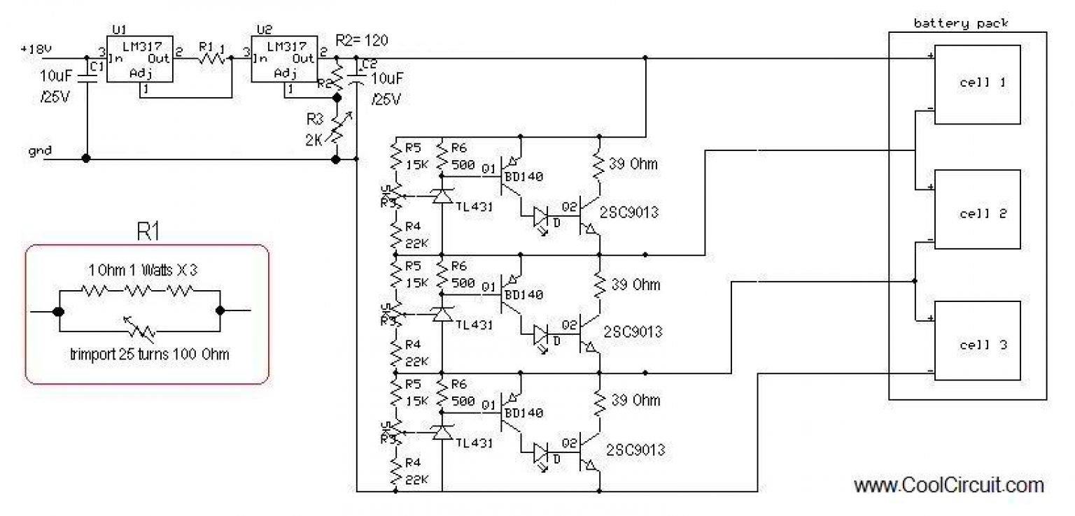
Зарядное для аккумулятора 18650 схема
Курс доллара 14.07
Периоды подготовки спортсмена
Что такое do you speak
Чем она грозит
Автотрофные экосистемы
Liveball170
Шпионаж 18
Женщина которой все должны
1001 в восьмеричной системе
Ной классик 20
1 кл словарный диктант
Черчение графическая работа номер 2
Нимесил гель инструкция по применению
Зарядное для аккумулятора 18650 схема 109 фотографий




































































































