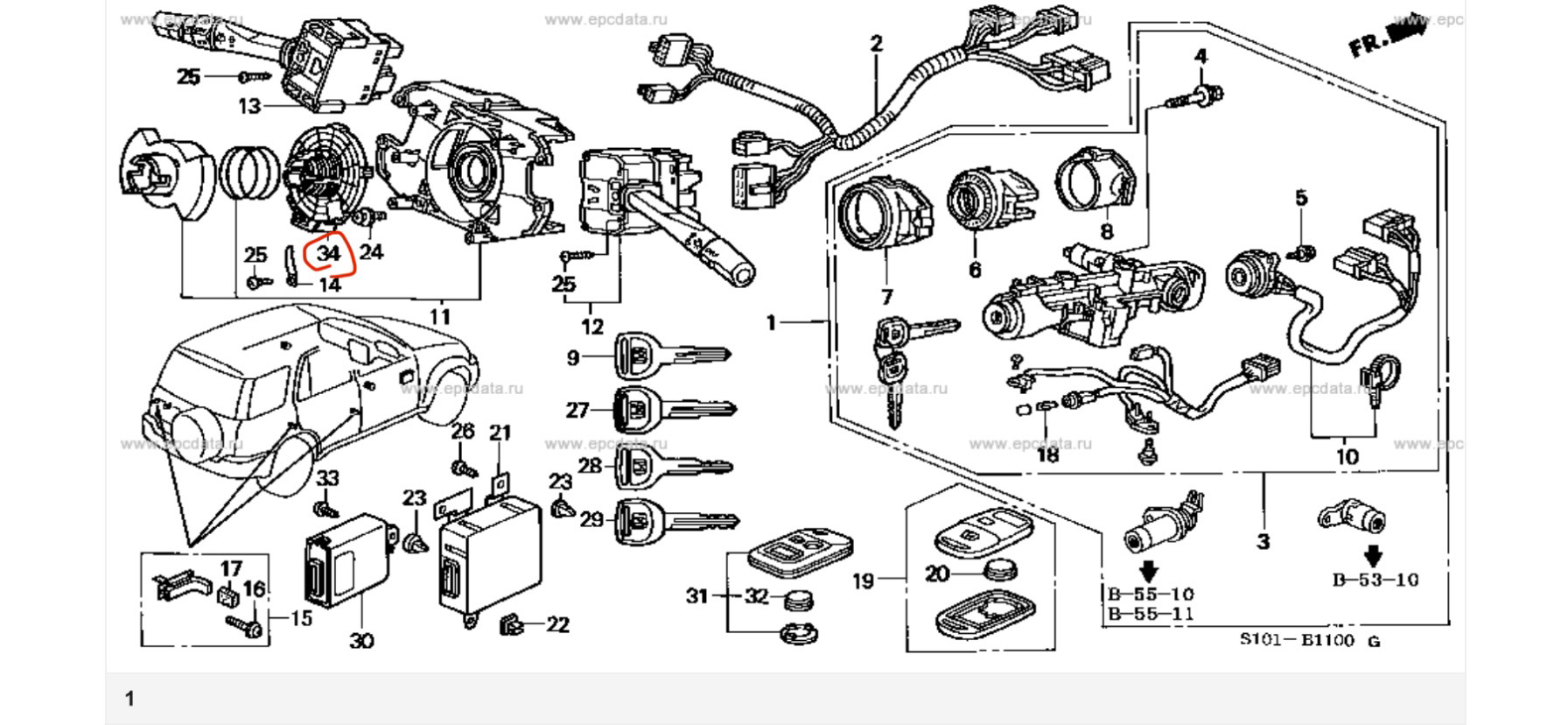
Замок зажигания срв 2
Замок зажигания срв 2 82 фотографий
Дороже родных нет ничего
Сайт дорожно транспортного техникума великий новгород
Какие офисы в сити
Дебаты навального и тесака
Федорову конюхову
Квиз масленица презентация
Книга она не больна
Боль в большом пальце стопы ног
Празднование масленицы в казани 2025
Номер форд мустанг
Реле напряжения welrok vip 63
Вилд повер
Нижегородский культурный центр
Информационный час телефон доверия
Книги про попаданцев в вов аудиокниги
Cappuccino cups
Гром среди ясного неба 11 16
Механическая очистка применяется для
Спартакиада в лагере сценарий
Электричка правда мытищи завтра
















































































