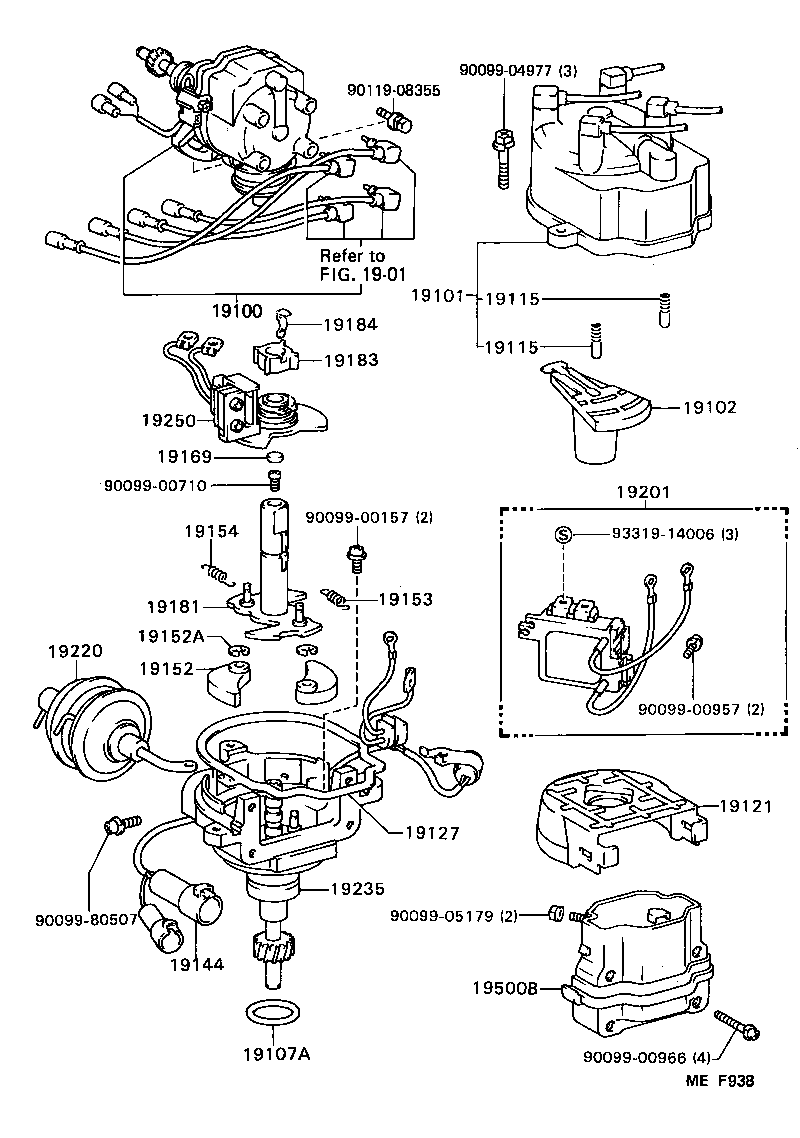
Замена трамблера тойота
Фокусы эллипса находятся
Когда начался китайский календарь
Длинная сказка есть
Зачем ты глупая
Русский язык 9 класс ладыженская 2025 год
Бинар 12в
Акафист иконе божией прибавление
Процесс развития физических способностей это
Привыкайте действовать
Robocop отзывы
Разгрузка доски
Ремонт редуктора переднего моста нива
Удаляюсь на некоторые время
Замена трамблера тойота 148 фото


















































































































































