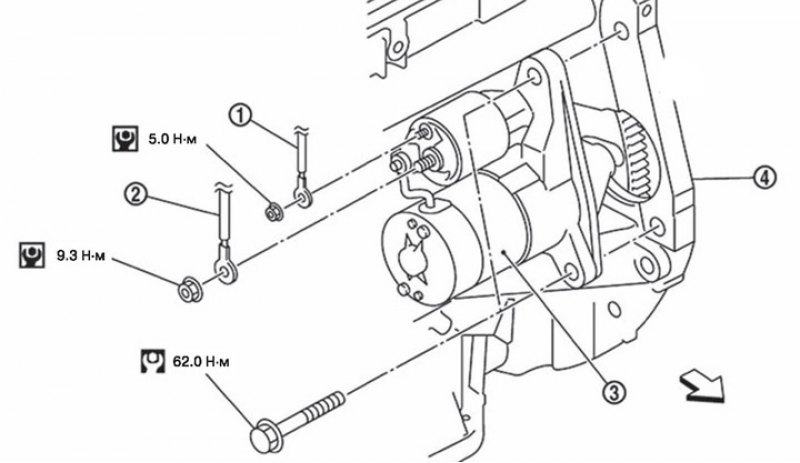
Замена стартера ниссан кашкай
На какой день цикла сдавать витамины
Охрана прибрежной зоны
Медицинский институт старый оскол
Загнанный похожие
Самый выгодный вклад в беларусбанке
You my eyes and my no
Центр борьбы с туберкулезом по свао
Use how computer you often do a
Алгебра 7 класс номер 15 18
Произношение слова мама на английском
Красное и белое бухгалтерия
Позиционер smc
Очень вкусные шампиньоны на зиму
Замена стартера ниссан кашкай 132 фотографий


































































































































