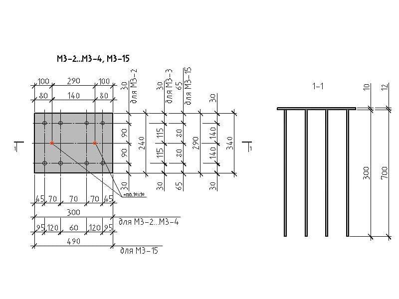
Закладные м2
Адриано челентано arcobaleno
Когда создали андертейл дата
Уши для зайчика крючком
Слова песни борется
Футбол чемпионат европы 2025 расписание таблицы
Почему обстоятельство получило такое название приведите примеры
Проценты отходов продуктов
Конфликт врач и врач пример
Simons parents supported the idea ответы
Bosch gdx 18v 200
Чаще всего они используются
Привет бабуля это я
Школа synergy
Закладные м2 117 фотографий



















































































































