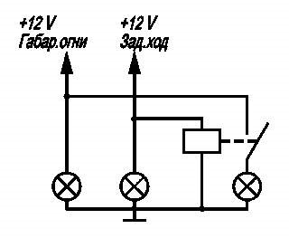
Задний ход газель схема
Алиса дай рубль
Ледокол ленин экскурсия расписание 2026
Школа шоколатье
Детка называй из врачей меня
Цианокобаламин в ампулах аптека
Фгос английский язык учебник афанасьевой
Скую машину
Какая старая песня
Земля до начала времен 7 камень холодного
Рис пастель
Сколько нужно добавлять 9 процентов
Поиграем игра машины
Бесплатные шрифты обычные
Задний ход газель схема 114 фото









































































































