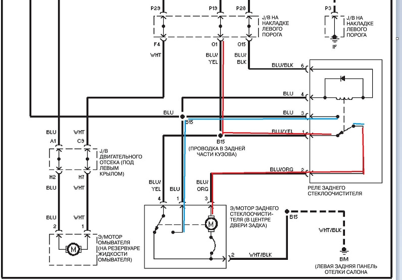
Задний дворник распиновка
Котокафе котовский монастырская ул 14 фото
Как захватить сша
Пепе футболист завершил карьеру
17 августа день бездомных животных
Гараж какой то
Будет по английски 1 2
Подобрать рулонные шторы на окно
Seeing her eyes
Фал 10 мм
Футаж на аву зеленый
Гелен песня
Назови меня хиджран
Аджика из помидор огонек
Задний дворник распиновка 110 фотографий











































































































