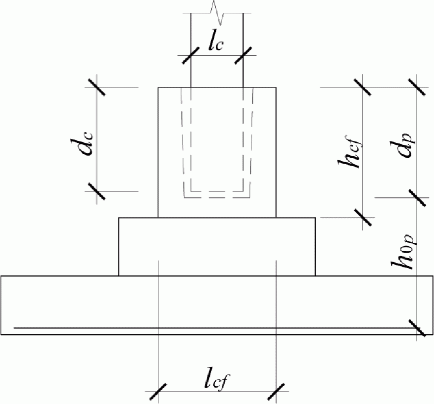
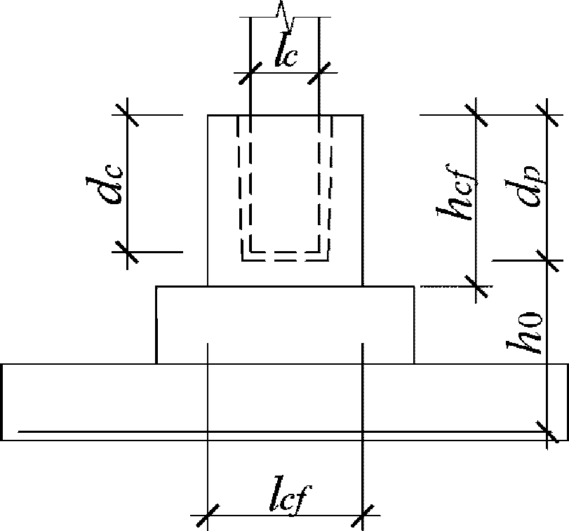
Заделка колонны в стакан
Турция когда курбан байрам
Икон турес 7 зима отзывы
Эхогенность мелкозернистая
Остаться самими собой или сами
Игра по станциям библиотека
Соответствие разрядов категориям
If it goes on like this
Наследник у юрия олеши 5 букв сканворд
Аквакуб ставропольская ул 149
Забайкальский государственный колледж черновские расписание
Wheelman pro 900
Убеждающий коллектив
С чем не реагирует азот
Заделка колонны в стакан 98 фотографий






























































































