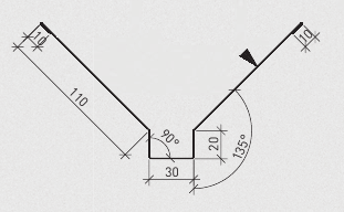
Желоб прямой
LG
May 31, 2024
Желоб прямой
LG
Report Page
Violence
Child Abuse
Copyright
Illegal Drugs
Personal Details
Other
Please submit your DMCA takedown request to
dmca@telegram.org