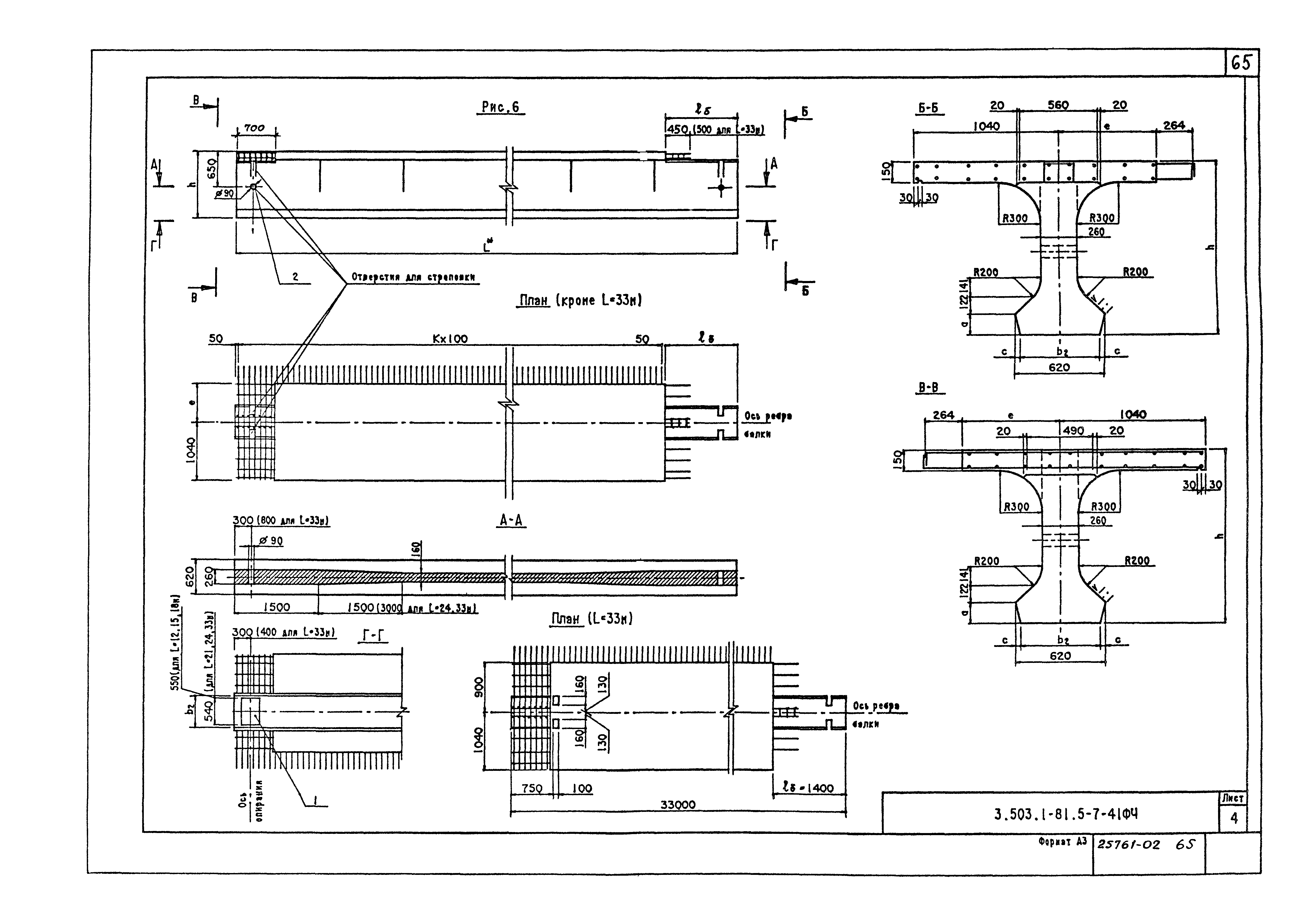
Железобетонная балка моста
Железобетонная балка моста 109 фото
Местоимение личные местоимения 5 класс
Их нужно очень любить они
Новые игрушки своими руками
Песня then are you
Ремень flexi
Характеристики переключателей shimano
Где сдать дизгруппу
Альбину зуеву
Hamster морзе 10
Pay to do homework







































































































