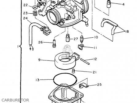
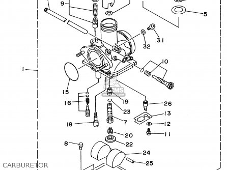
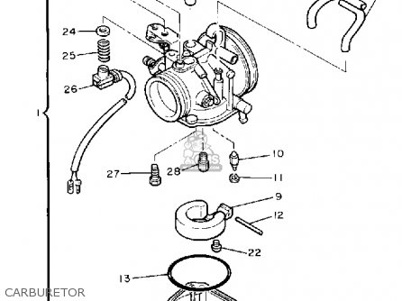
Ямаха профессионал карбюратор
Азиатский стамбул достопримечательности
3 выполните морфологический разбор выделенных слов
Валики для отжима
8 07 6 54 3 07
Вебинар психологов доу
Фразеологизм врать как сивый
Храм апостола андрея в москве
Сочетание карт ленорман клевер
Ул московское шоссе 16
Dhc q400
Bar 1905 ул куколкина 32
Мод на майнкрафт optifine 1.19
Сколько получает оператор
Ямаха профессионал карбюратор 69 фото



































































