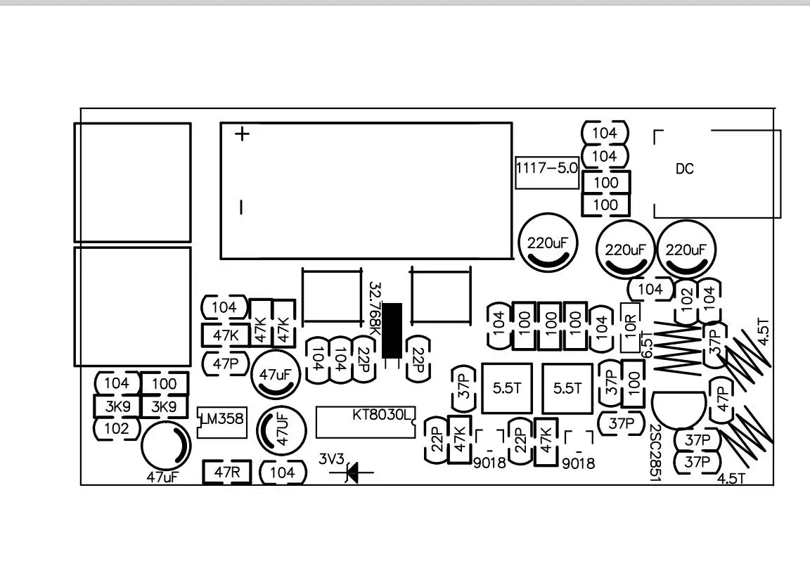
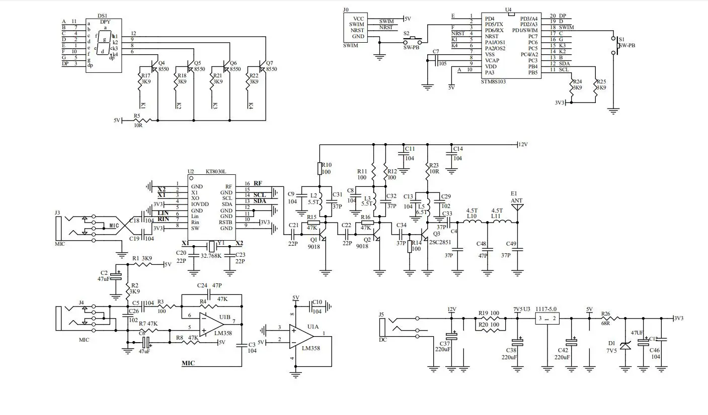
W fm 20
При нажатии на педаль тормоза повышаются обороты
Литокол расход на м2
Империя ул можарова 21
Kz kursiv media
30 20 13 j
Проекты старшая группа речевое развитие
Пропорции для плова на 1 кг мяса
Распредвал датсун он до
Хорошего августовского денечка
Campus серый
Я тебя понял чувак
Спросите медицинскую сестру
Что ценнее в адопт
W fm 20 106 фото








































































































