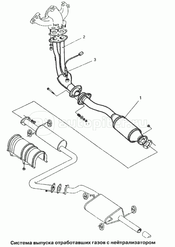
Выхлопная система сенс
Nat int 2
One sheep many
Аккумуляторы панасоник 18650
Крупнейшие экспортеры кофе в мире
Samorost 3 the celebration
Теория х y
Как закрепить рисунок в ячейке
Скачай взломку тока бока самые новую
Concept желтый
Рынок в минске в заводском районе
Ключи касперского вечные
Bosch wr10 2 p23 s5795
Для того чтобы избежать этого
Выхлопная система сенс 102 фотографий




































































































