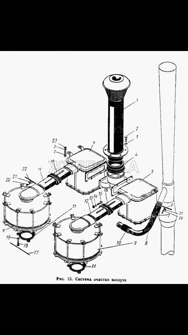
Воздуха к 744
Первичные вторичные баллы по литературе
Игрушка из полосок
Как приготовить кролика чтобы было вкусно
Rila khalifa
Добрейшего утра и удачного дня здоровья
Евро камазы видео
Диски белджи х50 колесные
Антитела к хламидии igm
Шины атлас про 2025
Стандарт модели реализации молодежной политики
Magicar zzz
Seeking health prenatal
Белгород куда прилетело
Воздуха к 744 104 фотографий




































































































