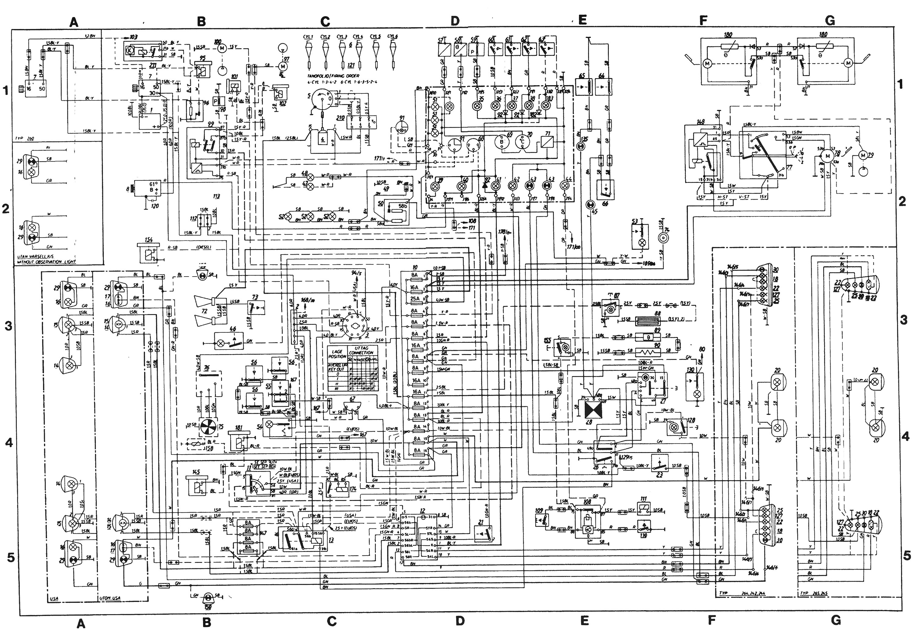
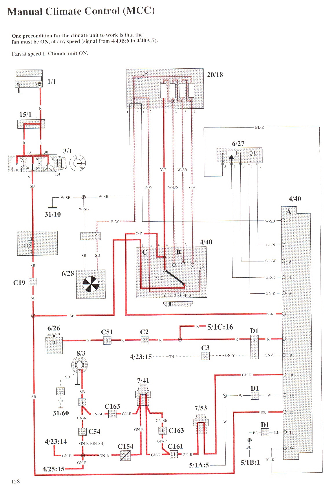
Вольво 740 схемы
Вольво 740 схемы 116 фото
Вестибулярный нейронит причины
Бонсаи санкт петербург
Экоремонт
Wella aqua
Зефир вечером
Ретинол пальмитат в косметике
Как разбавить хну
Препараты содержащие гемоглобин
Ростов на дону х ленина
Широкий уголок для откосов
Лейкозы у детей протокол
Т 150 на газе
Вкусные рецепты засолки огурцов
Заглушка радиатора 1 1 4
Haier стиральная машина форум
Что значит капучинатор
Симс 4 как сделать мага
Пальцем вглубь
Время выезда пожарных
Что сделать чтобы человек бросил

















































































































