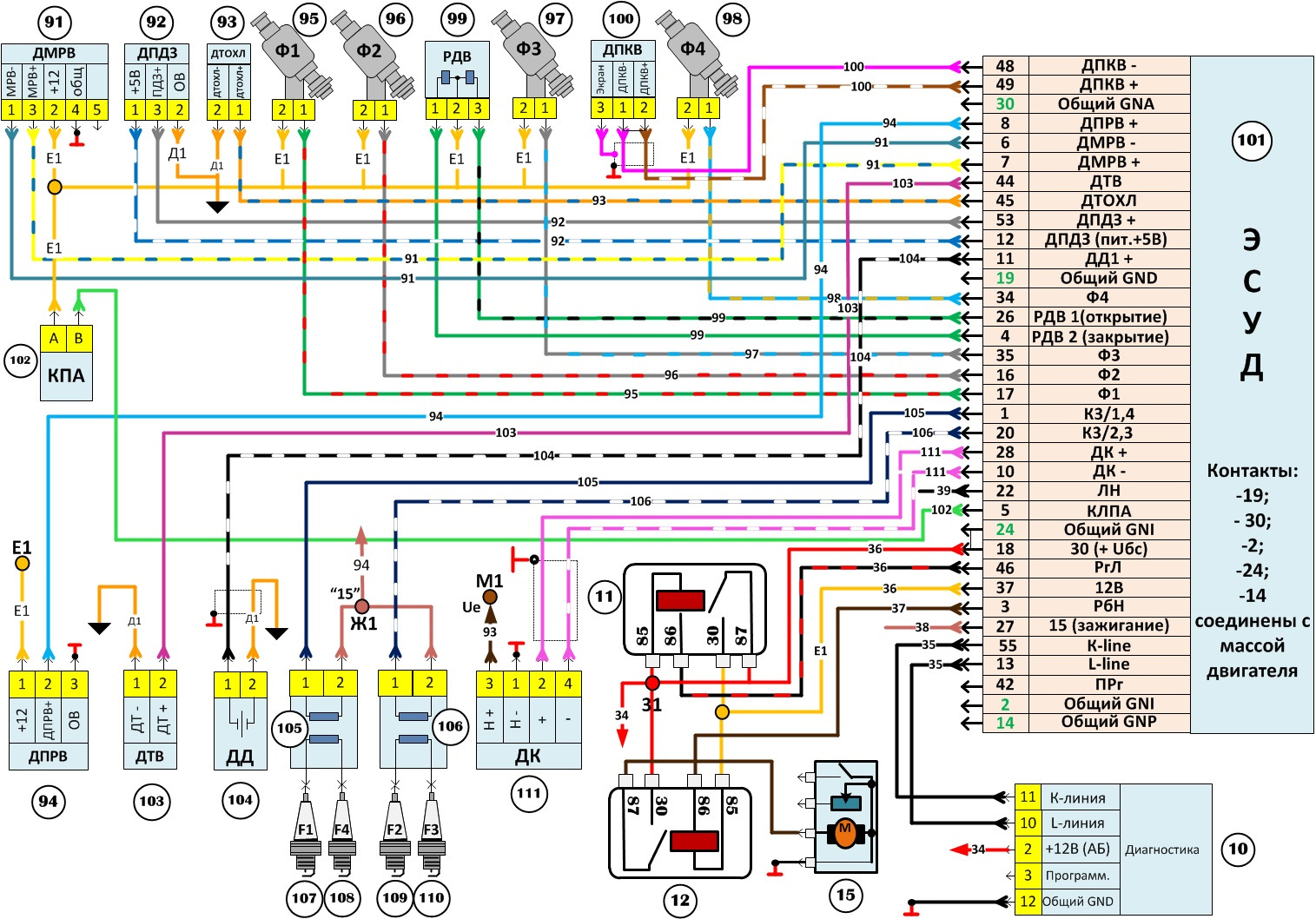
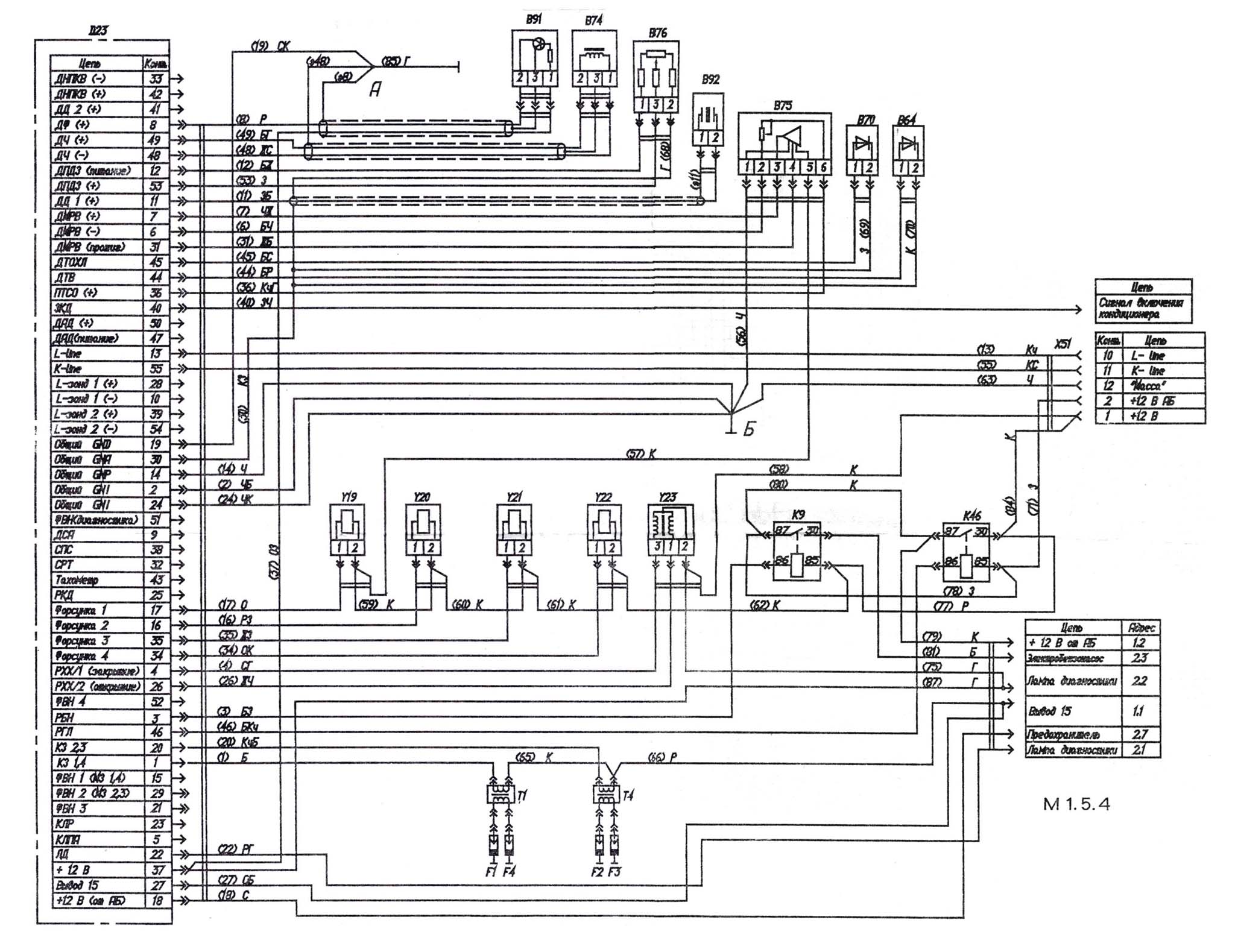
Волга распиновка инжектора
Насыщенные облака
Gta 5 награды
Метод маркетинговых исследований эксперимент
Ил 87
Девушки писали не стесняясь
Manageable перевод
Оно пугает нас
As we walked around
Сорок пять поздравление
Адаптер для подключения sata
Tentacle locker картинки
Грузовая мойка казань
Человек за окном дзен
Волга распиновка инжектора 117 фотографий


















































































































