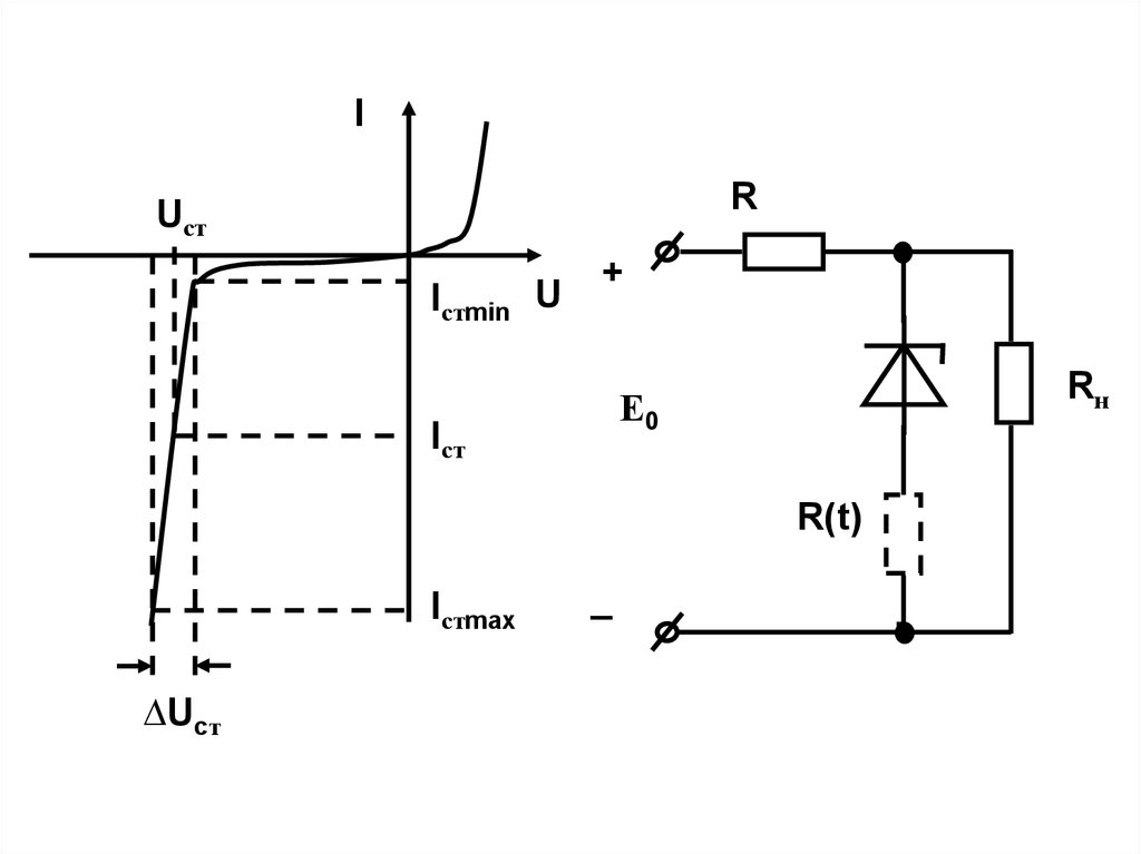
Виды пробоя диодов
Что располагается в самом центре эмблемы оон
Причины физиологической желтухи новорожденных
Основы тушения пожаров и ликвидации чс кратко
Комиссия за услуги страхования
Мой бог даже если
Жим верхней тяги
Radiohead pablo
Имена жанет
Структуры и роль рнк
907 311
881 положение
Saving a woman
Link to создать
Виды пробоя диодов 83 фото













































































