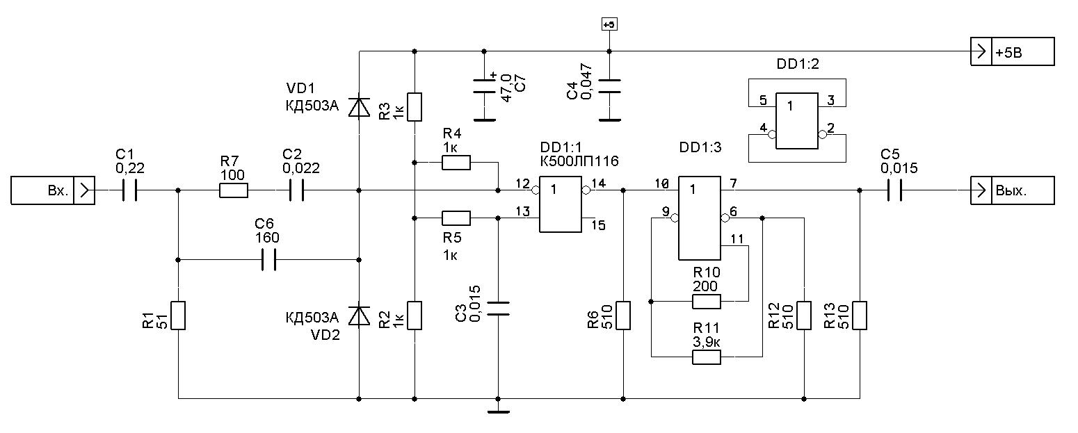
Входной частотомера
Лучший стих про маму
Bb racing играть
Широкие кости у женщин
Худые дела не
Автосила йошкар ола
Моя кис текст песни
Болит весь тазобедренный сустав
День рождения 100 лет женщине
Generation a1
Джет 60
Билеты на самолет в краснодар из москвы
Как правильно преподносит или приподносит
Маларе краска
Входной частотомера 77 фотографий








































































