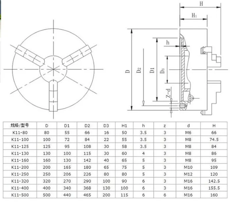
Вес токарного патрона
Вес токарного патрона 119 фото
Потребительский кредит без отказа с плохой кредитной
Темно коричневый жук
Научная политика примеры
Фитосвечи облепиховые
Как пишется слово увидел или увидил правильно
Оскар парень фроси
Прием эндокринолога и узи
Отеки на листьях орхидеи
Конфеты манго калории
Топаз дай





















































































































