Вега Миг 400

⚡ 👉🏻👉🏻👉🏻 ВСЯ ИНФОРМАЦИЯ ДОСТУПНА ЗДЕСЬ, КЛИКАЙ 👈🏻👈🏻👈🏻
Миг 400 Таблетки 400 Мг * 10 Berlin Chemie (Mig 400 . . .
Миг 400: инструкция по применению таблеток, цена, отзывы . . .
1МИГ счетчики нефти турбинные . Описание . Цена . Заказ | ТД . . .
VEGA - Level - Switching - Pressure | VEGA
МИГ 400 : Uses, Side Effects, Interactions, Dosage . . .
НД, НДр, НОРД, МИГ, АГАТ, ВЕГА, КСП, ВПП-300 и т .п . по . . .
Пълна диагностика - Академия Здравелогия - всичко за здравето!
ООО "ВЕГА-МИГ", основные сведения
Основные данные ООО "ВЕГА-МИГ" (ИНН 2129058297, ОГРН . . .
Вега 200 мини миг - YouTube
Силицид Магния Плюс Соляная Кислота
Мемантин Продолжительность Приема
Маалокс Фарм Действие
МИГ 400 таблетки 400 мг * 10 berlin chemie е медикамент от Лекарства при висока температура - актуална цена и информация . Продукт произведен от berlin chemie .
Миг 400 : инструкция по применению таблеток, цена, отзывы, аналоги . Содержание: Инструкция . . .
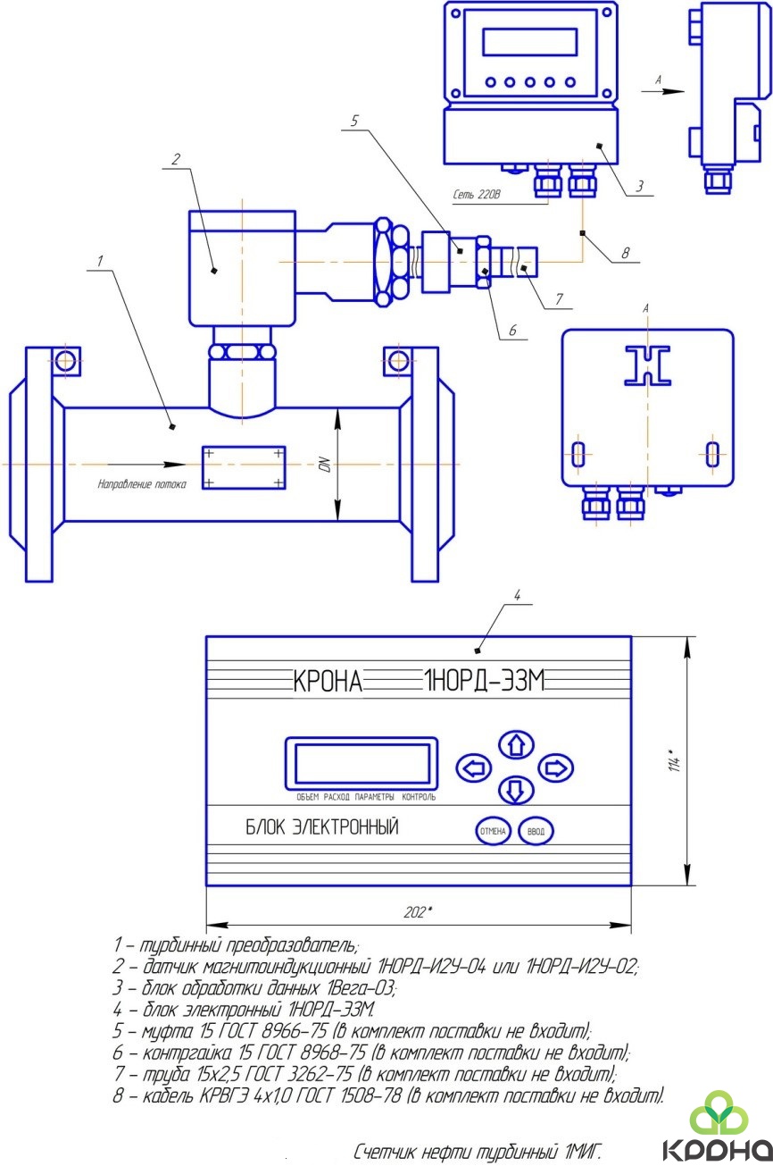
Турбинные расходомеры 1МИГ предназначены для измерения объема нефти и нефтепродуктов на технологических установках нефтедобывающих и нефтеперерабатывающих предприятий . Пример условного обозначения при заказе: «Счетчик нефти турбинный 1 МиГ -50-25, ТУ 4213-003-602311902011», где - счетчик нефти турбинный 1МИГ - наименование счетчика;
Compared to ultrasonic sensors, radar sensors measure unaffected by temperature fluctuations, vacuum or high pressures and are insensitive to contamination . Discover compact level sensors with 80 GHz radar technology now . VEGA's measurement technology sets new standards in reliability, accuracy and economy for all media and process conditions .
Medical information for МИГ 400 including its dosage, uses, side, effects, interactions, pictures and warnings . Drugs A-Z A-Z index Available in countries Condition Method of action Countries
Самые низкие цены на счетчик турбинный нефти, воды МИГ-32, МИГ-40, МИГ-50, МИГ-65, МИГ-80, МИГ-100, МИГ-150, МИГ-200, МИГ-250, МИГ- 400 . Турбинный преобразователь расхода ТПР МИГ-32, ТПР МИГ-40, ТПР МИГ-50,
Изследването представлява цялостна диагностика на клетъчно, тъканно и органно ниво (засичането е с продължителност 40 минути, като се изследват над 400 показателя) . Пациента стои удобно на стол със слушалки на главата . Изследването се базира на получаване на информация от мозъка Ви, който действително "знае" какво се случва всеки миг в тялото Ви .
ООО "ВЕГА-МИГ" дата актуализации информации 10 .06 .2021 . дата последних изменений 19 .02 .2017 .
Основные данные ООО "ВЕГА-МИГ" (ИНН 2129058297, ОГРН 1052182822735) - основная информация, уставный капитал и другие данные из официальных источников
About Press Copyright Contact us Creators Advertise Developers Terms Privacy Policy & Safety How YouTube works Test new features Press Copyright Contact us Creators . . .
Толперизон Мазь Инструкция По Применению
Чем Можно Заменить Докси Хем
Ластет В Аптеке
Запрет Корвалола
Фитолизин Мазь Инструкция По Применению
Лактожиналь Капсулы Как Вводить
Викаир Для Чего Применяют
Итомед И Дюспаталин
Витамир А В День Акне
Боли После Укола Дипроспана
Дексонал Таблетки 25 Мг
Дельфиниум Фонтан
Ремдеформ При Коронавирусе И Пневмонии
Эксфорж 5мг
Т Капотен
Трамадол Белгород
Милдронат Можно Вводить Внутримышечно
Альфа Токоферола Ацетат Масло Инструкция
Голдлайн Цена В Москве
Витамины Дуовит Драже
Карницетин Цена Отзывы Врачей
Де Нол Форум Врачей
Рефлюкс Эзофагит Фосфалюгель
Мирамистин Интимный Спрей
Лактазар Цены В Аптеках
Чем Можно Заменить Разо
Флюкостат Понос
Левомеколь Мазь При Фимозе У Мужчин
Хилак Форте Цена Апрель
Рамни Таблетки Цена
Кальция Хлорид Уколы Кошке Подкожно
Биосулин
Целлекс Детям
Феррум Регион Красноярск
Кандид Крем От Чего Помогает
Беременность После Противозачаточных Таблеток Линдинет 20
Крем С Ретинолом Показания
Сумамед 500 Мл
Где Лантус
Язычок Прилипает К Миндалине У Ребенка
Получение Суспензии Карбоната Кальция
Момордика Условия Выращивания
Хондроитин Побочные Действия
Цераксон Саше Инструкция Аналоги
Триазавирин Или Ингавирин При Ковид
Эреспал 80 Цена Таблетки Цена
Фарингит Рекомендации Пирогенал
Капли Фурацилин Отзывы
Карсил Цена 80 Таблеток Цена В Аптеках
Лозартан Или Лориста Н Что Лучше
Применение Лекарства Димексид
Симбалта Помогла
Цитрат Кальция Канина
Синупрет При Беременности 3
Сколько Времени Принимать Смекту
Цитовир 3 Вита
Мукосат 1 0 Цена
Парацетамол 500 При Беременности 3 Триместр
Солкосерил Глазная Инструкция По Применению
Индола Колор Отзывы
Стопгрипан
Спирулина Самара
Гормональные Капли Назонекс
Как Из Гидрида Получить Гидроксид Кальция
Ундевит Для Детей
Дексонал Таблетки От Головной Боли
Сульфат Магния После Запоя
Эмоксипин 1 Уколы
Гипертония Нитроглицерин
3 Таблетки Пирантела За Один Прием
Фурадонин 50 Инструкция По Применению Цена
Суперлимф Ректально Во Время Месячных
Мадопар Леводопа Бенсеразид 250 Цена
Синупрет Таблетки Инструкция Цена
Финлепсин Ретард Наличие В Аптеках Москвы
Эссенциале При Панкреатите
Магний В6 Для Детей Отзывы Форум
Сочетается Ли Ретинол С Кислотами
Индоксил Гель Аналоги
Лосек Аналоги
Средства Для Мочеполовой Системы Верошпирон
Цветок Пентас Фото И Уход За Ними
Церукал Доза Применения
Овитрель Курск
Без Какого Витамина Не Усваивается Кальций
Финлепсин Ретард 400 Воронеж
Полижинакс Свечи Аналоги
Изопринозин Видаль
Цераксон Аналоги Препарата Дешевле
Смекта В Годик
Эссенциале Форте Н Видаль
Магний Плюс
Телмисартан 80 Мг Инструкция По Применению
Ко Дальнева Отзывы Кардиологов
Окситоцин После Выписки Из Роддома
Голден Тулип Сочи Роза Хутор
Цефалексин Суспензия 250 Мг Аналоги
Митомицин С 40 Москва
Препарат Гидрохлоротиазид
Лозап Гидрохлоротиазид
Вега Миг 400





















































































