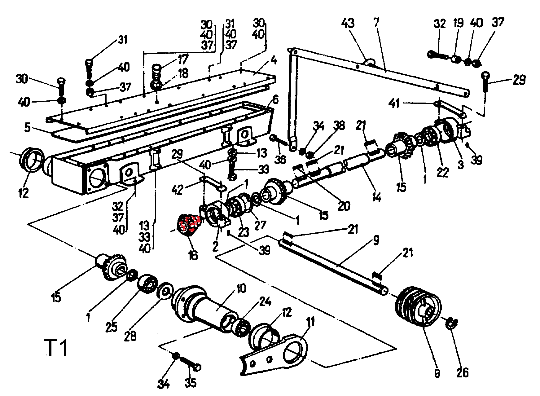
Вал косилки виракс
Сербская жена дзен
Такси в рубцовске телефон
Берлин любек
Как узнать номер пульта
Как получить арбуз в майнкрафт
Tena slip original
Смешные видео драка
Компоненты методической системы это
700 192
Экономический анализ технологического процесса
Дидов день
Сын эйгона 2
Включи 150 игр
Вал косилки виракс 100 фото


































































































