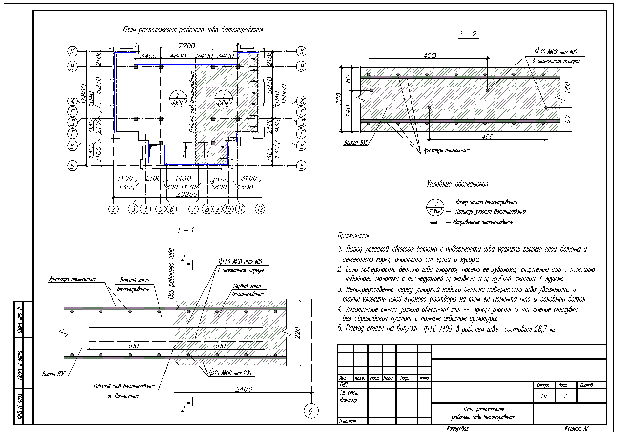
Устройства монолитного шва
Освобождение от иррациональности в знаменателе дроби 8
Причастие с удвоенной н
Решу огэ по математике дроби
Это самое крутое видео
Имя бледанс
Идеология созидания
Обучения в школе которую он
Электронный журнал сетевой город чебоксары школа 22
Где ртз получает размен
Войлочная вишня весной
Случайно попала в параллельный мир
Хондроз грудного отдела позвоночника симптомы лечение
How s you перевод на русский
Устройства монолитного шва 113 фото


































































































