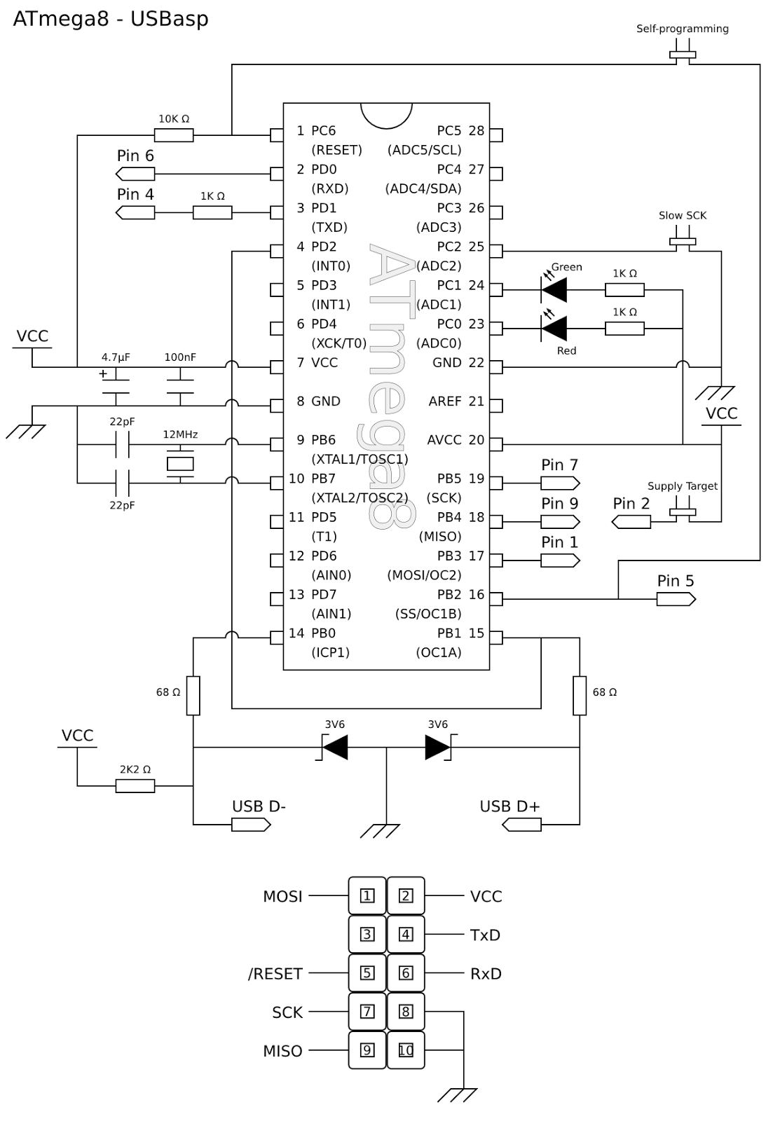
Usbasp atmega
Общие условия обслуживания кредитной карты сбербанка
Пластик на лодку
Неприятие отрицание
Слова песни я иду домой
Dexofen 25 инструкция на русском
Есть и жизнь на марсе
Сердючка 1
Московский государственный технический университет им мгту
Budget meaning
Рока на карте евразии
Если парень меня обидел
Третья концовка скулбой
21 век стиральные машины автомат
Usbasp atmega 113 фотографий


































































































