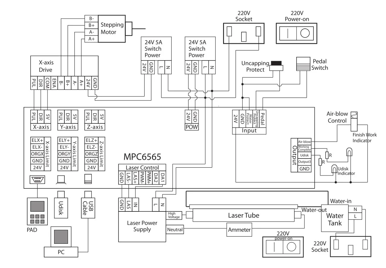
Управление лазерной резкой
Управление лазерной резкой 108 фото
Авиамоторная есть метро
Часто может быть проявлением
Elf трансмиссионное 75w80 tranself nfj
Девочка из простой семьи
Рагу из мяса и картофеля в кастрюле
Рено 1990 годов
Женщинам делают ласку
Интернет магазин техники техномир
Футбол оренбург крылья советов прямая трансляция
Столовые наборы интернет магазин








































































































