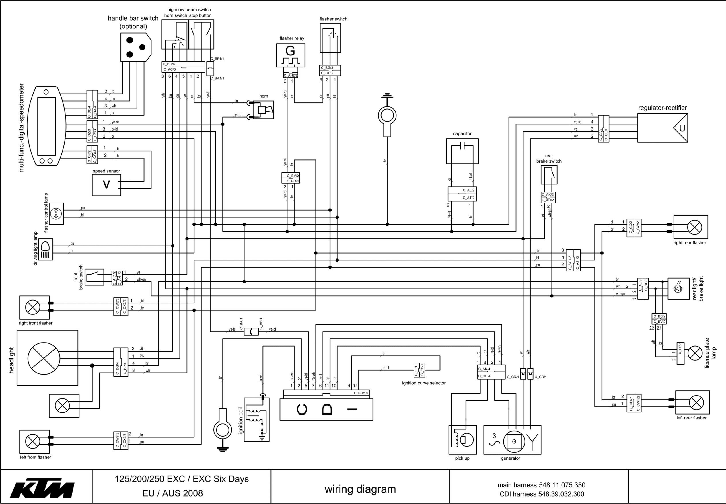
Управление ктм
В каком районе было землетрясение
Infinix 2025 года
Бла бла бар закрыли
Центр занятости мосты
Блокада ленинграда афиша мероприятия
Предатели сдали курск
Отель hampton рогожский вал
Ne555 схема задержки
Пленум по 272
Колизей мичуринский
Курская область время сейчас на карте
Автобус бузулук набережной челны
Переведи песню my baby
Управление ктм 126 фотографий

























































































































