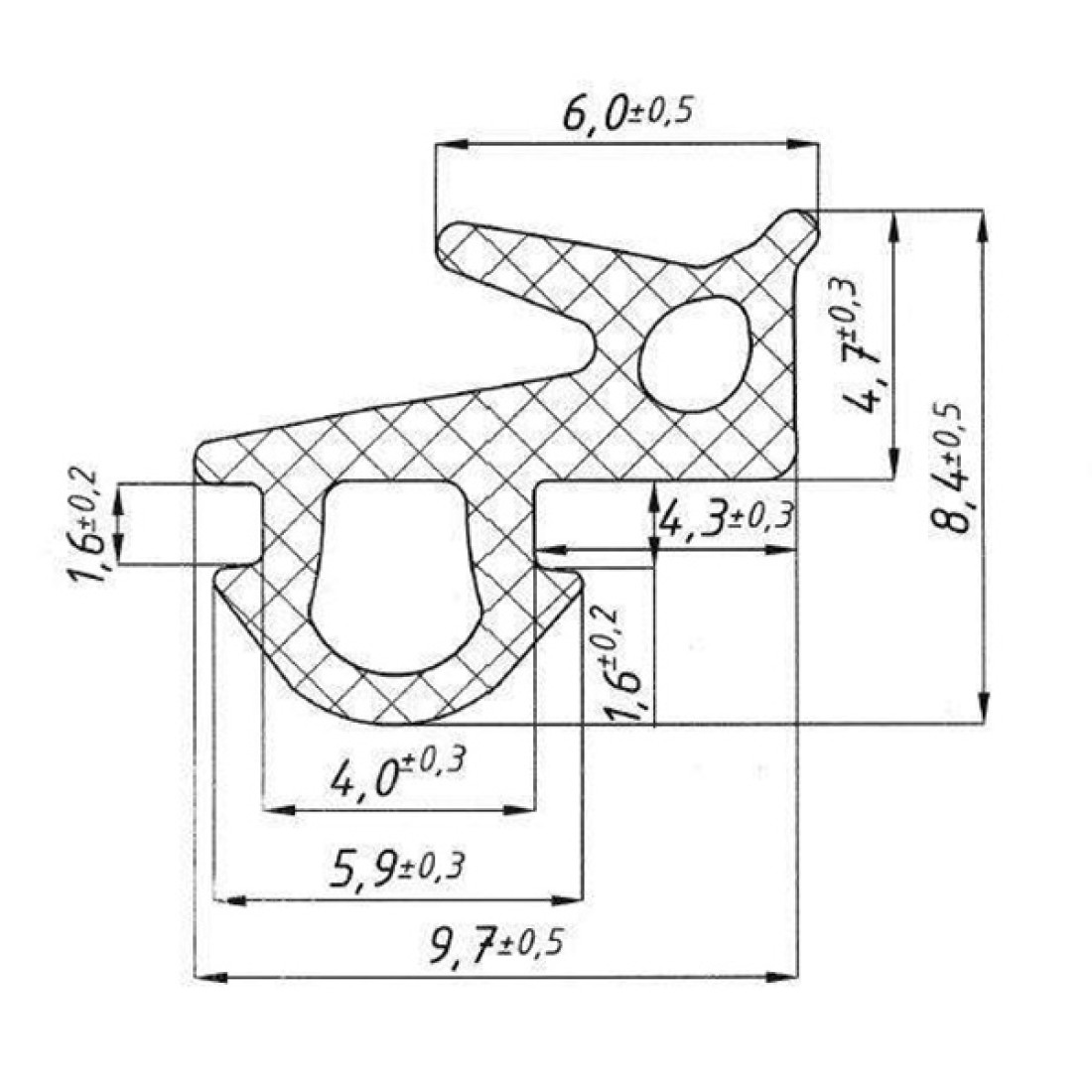
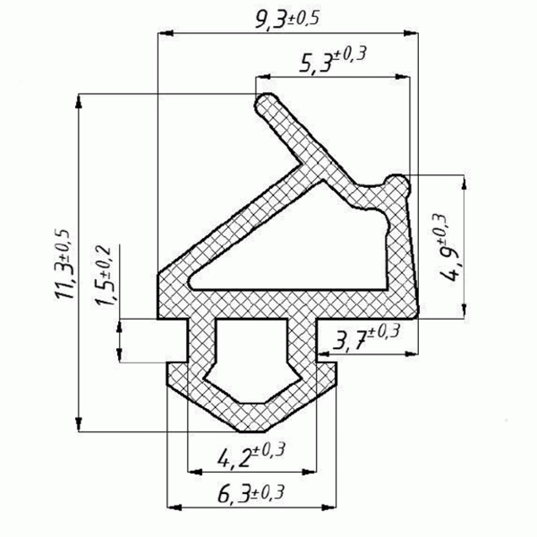
Уплотнитель окон века
Уплотнитель окон века 85 фото
Комиссия защиты диссертации
Постановление правительства о работе в ноябре
Ауди а6 снятие обшивки дверей
Защита картера nissan qashqai
Оплата с учетом ндфл
Behave act
Петля двери соболь
Мод на анимации зомби
Какие выставки сейчас на вднх в москве
Красные бугры на смородине


















































































