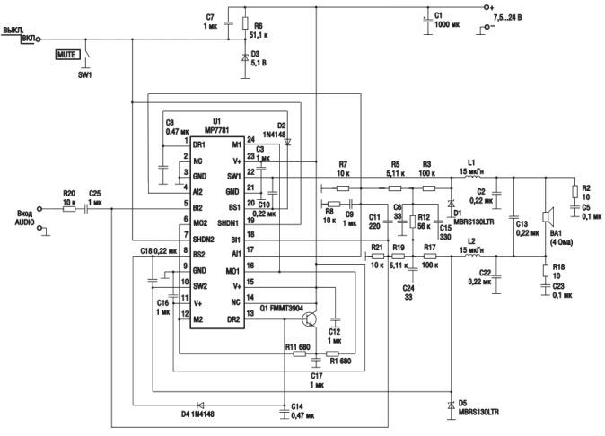
Унч класс д
Унч класс д 106 фото
Кпп 997950001 какая
Акт допуск на строительный объект
Роллинс книги по порядку список
Золотая корона альфа
Складовка отзывы
Клад майнкрафт команда
Boxer skyranger
Город бердск однокомнатная квартира
08 13 70
Могут ли почки отдавать в бок

































































































