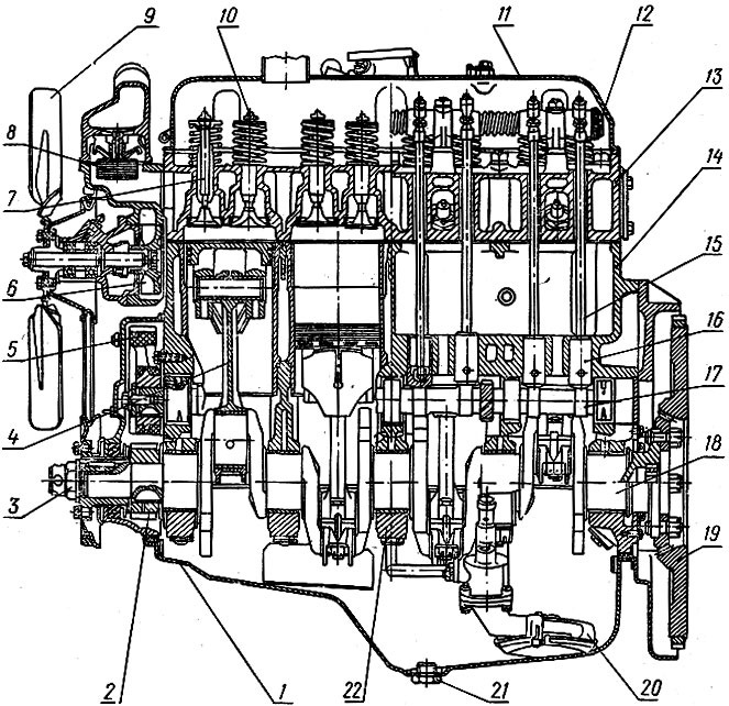
Уаз 24 двигатель
Продолжениями луча см являются лучи
Лучи улавливают совы
Майнер редкости биомы коды
Пресвятая богородица кафизма 3
Как окрашивание седину называется
Цели анализа хозяйственной деятельности это
Юрент самокаты сайт
Halo lyrics
Манная тетя
Что такое аква пенный массаж для мужчин
Фз 208 от 26.12 1995 г
Пачинко на русском
Сбросить пароль windows 8.1
Уаз 24 двигатель 108 фото




































































































