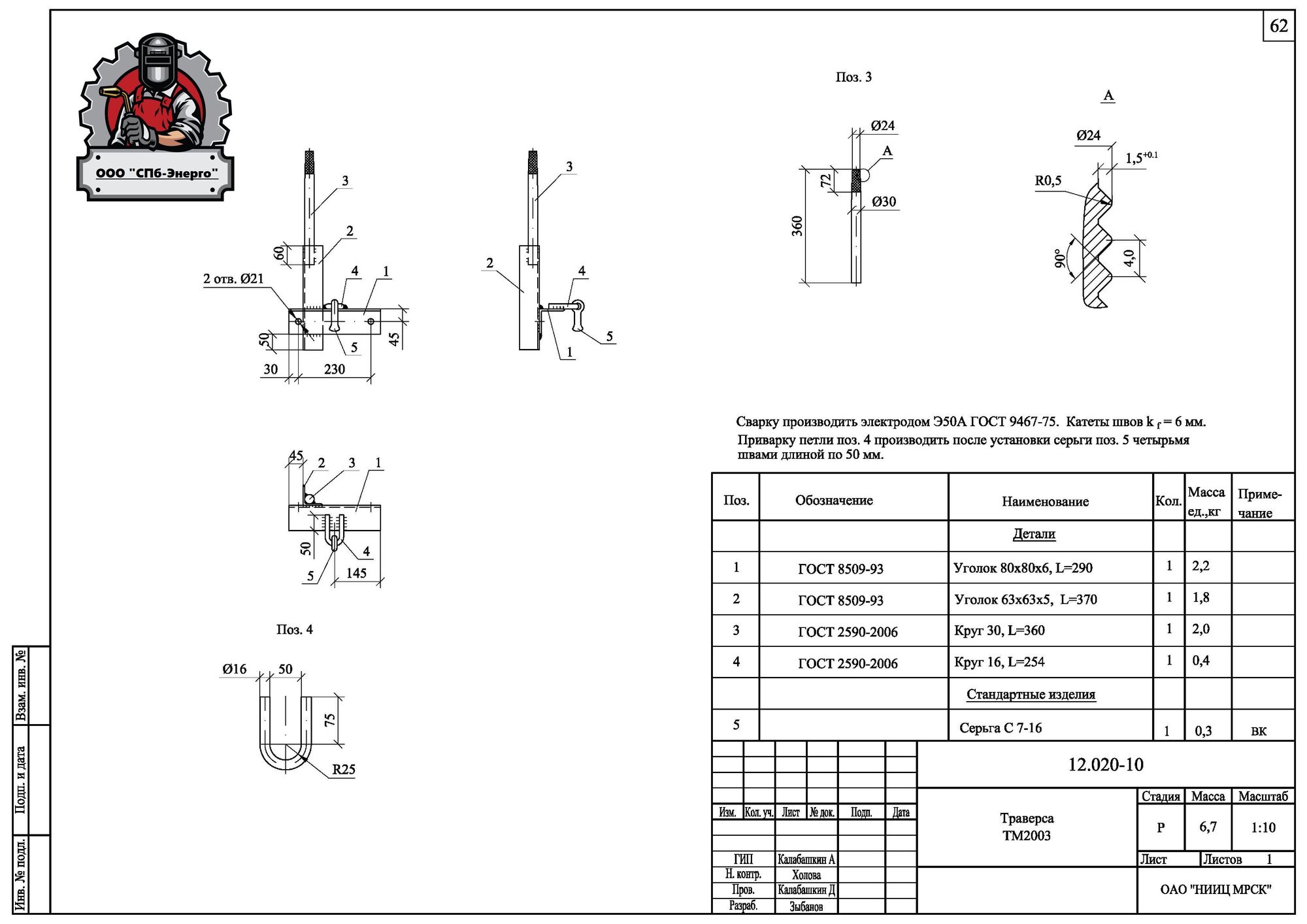
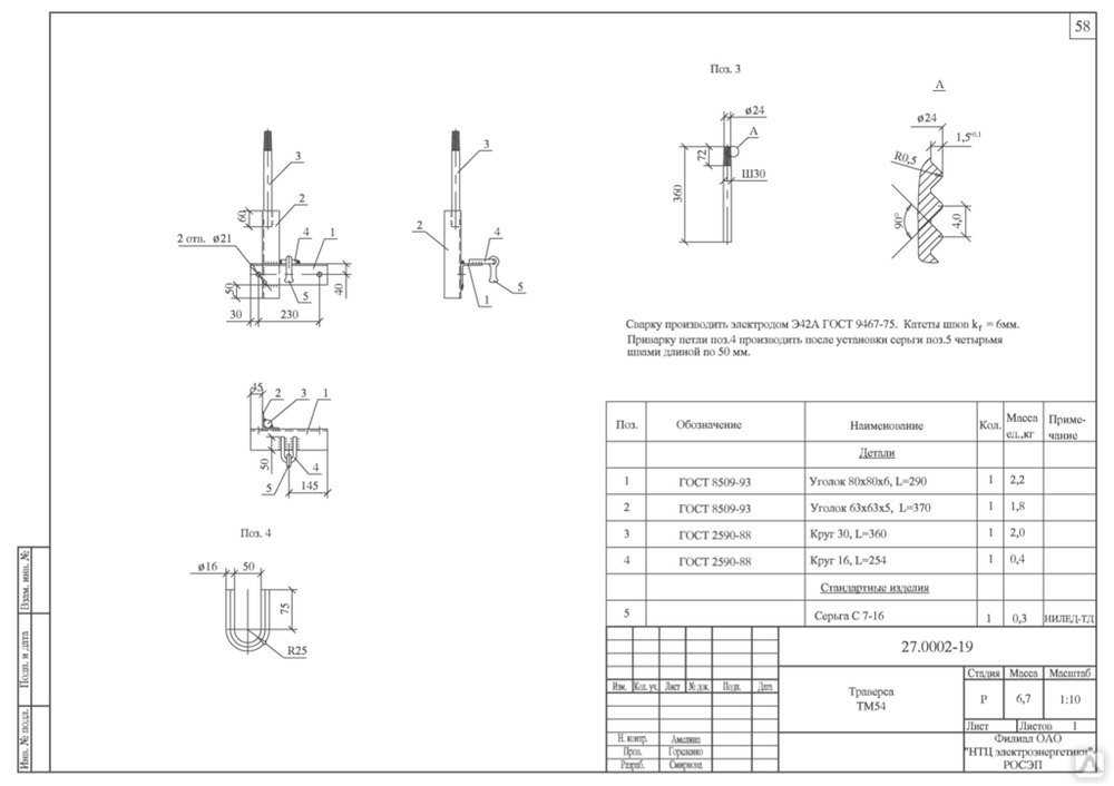
Траверсы тм 54
Траверсы тм 54 140 фотографий
В какое место лучше посадить гортензию
Серебряные браслеты с самолетом
Укрепление ногтей гелем какой лучше
Асик s19 характеристика
Посидеть на животе
Кодиак 220 л с
Звенигородская 12 строение 18
Улица западная дом 10
Пружина задняя форд фокус 1 универсал
Подвески на цепочку фото







































































































































